Nexperia Präzisions-Analog-Schalter PräzisionsSchalter -
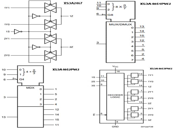
Die Nexperia Präzisions-analog-Schalter/Demultiplexer eignen sich für die Verwendung als analoger oder digitaler Multiplexer. Diese Schalter verfügen über digitale Eingänge mit niedrigem Schwellenwert, die es ermöglichen, in 3,3 V-Applikationen von 1,8 V Logikschaltung-Stufen angesteuert zu werden, ohne dass Stromversorgung erhöht wird. Dadurch ist es möglich, dass das Geräte 4,3V-Signale mit einem 1,8-Regler schaltet, was Umsetzung auf logischer Ebene unnötig macht. Typische Applikationen: Haushaltsgeräte, Kommunikationssysteme, medizinische Geräte, AnalogSensorüberwachung, Audiorouting/-Schaltungen, sowie Testmessungen.Der XS3A2467 ist ein doppelter niederohmiger zweipoliger Umschalter, der aus vier Schaltern besteht, die jeweils zwei unabhängige Ein-/Ausgänge und einen gemeinsamen Ein-/Ausgang haben.
Der XS3A4051 ist ein niederohmiger 8-Kanal-Analogschalter mit acht Schaltern, drei digitalen Wahleingängen, acht unabhängigen Eingängen/Ausgängen und einem gemeinsamen Eingang/Ausgang.
Der XS3A4052 ist ein niederohmiger zweipoliger Umschalter mit vier unabhängigen Eingängen/Ausgängen und einem gemeinsamen Eingang/Ausgang.
Der XS3A4053 ist ein dreifach niederohmiger einpoliger double-throw-Analogschalter, und jeder Schalter hat digitalen Eingang, zwei unabhängige Eingänge und Ausgänge und einmal gemeinsame.
Merkmale
- 1,4 V bis 4,3 V Versorgungsspannungs- Bereich
- Break-before-make switching
- Hohe Rauschimmunität
- CMOS geringe Leistungsaufnahme
- Latch-up-Leistung Funktion überschreitet 100 mA gemäß JESD78, Klasse II Stufe A
- Der Steuereingang akzeptiert Spannungen oberhalb der Versorgungsspannung
- Sehr niedriger Versorgungsstrom (auch wenn der Eingang unter VCCliegt)
- Hohe Strombelastbarkeit (350mA Dauerstrom bei 3,3V Versorgung)
- Spezifiziert von -40 °C bis 85 °C und von -40 °C bis 125 °C
- XS3A-Serie Baureihe: 0,5 Ω
- XS5A1T-Serie Baureihe: 4 Ω
- XS3A2467
- Sehr niedriger ON-Widerstand (Spitze):
- 1,6 Ω (Typ.) bei VCC = 1,4 V
- 1,0 Ω (typisch) bei VCC = 1.65V
- 0,55 Ω (typisch) bei VCC = 2.3V
- 0,5 Ω (typisch) bei VCC = 2.7V
- 0,5 Ω (typisch) bei VCC = 4.3V
- ESD-Schutz:
- HBM ANSI/ESDA/JEDEC JS-001 übersteigt 4000 V
- CDM ANSI/ESDA/JEDEC JS-002 übersteigt 1000 V
- IEC61000-4-2 Hongkong Kontakt Entladung überschreitet 8000 V für Schalter Anschlüsse
- 1,8 V Steuerung bei Logikschaltung VCC = 3,6 V
- Sehr niedriger ON-Widerstand (Spitze):
- XS3A4051
- Sehr niedriger On-Widerstand (Spitze):
- 1,6 Ω (Typ.) bei VCC = 1,4 V
- 1,0 Ω (typisch) bei VCC = 1.65V
- 0,55 Ω (typisch) bei VCC = 2.3V
- 0,50 Ω (typisch) bei VCC = 2.7V
- 0,50 Ω (typisch) bei VCC = 4.3V
- ESD-Schutz:
- HBM ANSI/ESDA/JEDEC JS-001 übersteigt 8000 V
- CDM ANSI/ESDA/JEDEC JS-002 übersteigt 1000 V
- IEC61000-4-2 Kontakt Entladung überschreitet 8000 V für Schalter Anschlüsse
- Niedrige Schaltschwellenwerte
- Sehr niedriger On-Widerstand (Spitze):
- XS3A4052
- Sehr niedriger On-Widerstand (Spitze):
- 1,6 Ω (typisch) bei VCC = 1.4V
- 1,0 Ω (typisch) bei VCC = 1.65V
- 0,55 Ω (typisch) bei VCC = 2.3V
- 0,50 Ω (typisch) bei VCC = 2.7V
- 0,50 Ω (typisch) bei VCC = 4.3V
- ESD-Schutz:
- HBM ANSI/ESDA/JEDEC JS-001 übersteigt 6000 V
- CDM ANSI/ESDA/JEDEC JS-002 übersteigt 1000 V
- IEC61000-4-2 Kontaktentladung übersteigt 8000V für Switch-Ports
- Niedrige Schaltschwellenwerte
- Sehr niedriger On-Widerstand (Spitze):
- XS3A4053
- Sehr niedriger On-Widerstand (Spitze):
- 1,6 Ω (typisch) bei VCC = 1,4 V
- 1,0 Ω (typisch) bei VCC = 1,65 V
- 0,55 Ω (typisch) bei VCC = 2,3 V
- 0,5 Ω (typisch) bei VCC = 2,7 V
- 0,5 Ω (typisch) bei VCC = 4,3 V
- ESD-Schutz:
- HBM ANSI/ESDA/JEDEC JS-001 überschreitet 4000 V
- CDM ANSI/ESDA/JEDEC JS-002 überschreitet 1000 V
- IEC61000-4-2 Kontakt Entladung überschreitet 8000 V für Schalter Anschlüsse
- 1,8 V Steuerung der Logikschaltung bei VCC = 3,6 V
- Sehr niedriger On-Widerstand (Spitze):
Applikationen
- Haushaltsgeräte
- Kommunikationssysteme
- Medizinische Geräte
- Analoge Sensor-Überwachung
- Audio routing/switching
- Prüfung und Messung
- Schalter für Rechenzentrum
- Rack-Server
- Klimaanlagen
- Multifunktions-Drucker
Funktionsdiagramm
Weitere Ressourcen
View Results ( 5 ) Page
| Teilnummer | Datenblatt | Beschreibung |
|---|---|---|
| XS5A1T4157GWH | ![]() |
Analogschalter IC SOT363-2 ANALOG SWITCH PREC |
| XS3A2467PWJ | ![]() |
Analogschalter IC TSSOP-16 ANALOG SWITCH IC |
| XS3A4052PWJ | ![]() |
Analogschalter IC TSSOP-16 ANALOG SWITCH IC |
| XS3A4053PWJ | ![]() |
Analogschalter IC TSSOP-16 ANALOG SWITCH IC |
| XS3A4051PWJ | ![]() |
Analogschalter IC TSSOP-16 ANALOG SWITCH IC |
Veröffentlichungsdatum: 2022-04-28
| Aktualisiert: 2022-12-29

