Nexperia PESD1ETH10L ESD-Schutz für bordeigene Netzwerke
Nexperia PESD1ETH10L ESD-Schutz für In-Vehicle-Netzwerke sind vollständig konform mit den IEEE-Standards 10BASE-T1s 100BASE-T1 und 1000BASE-T1 der OPEN Alliance und gewährleisten robusten Schutz für Ethernet-Schnittstellen für Fahrzeuganwendungen. Die Nexperia PESD1ETH10L-Q und PESD1ETH10LS-Q zeichnen sich durch eine hohe Triggerspannung von 100 V und eine niedrige maximale Kapazität von 0,4 pF aus, was zur Erhaltung der Signalintegrität beiträgt. Beide Geräte bieten ESD-Schutz bis zu 18 kV (IEC 61000-4-2) und widerstehen Kontaktentladungen bis zu 1000 bei 15 kV. Damit sind die Geräte äußerst zuverlässig für Fahrzeuganwendungen. Der PESD1ETH10L-Q wird in einem kompakten DFN1006-2 (SOD882) Gehäuse geliefert, während der PESD1ETH10LS-Q in einem DFN1006BD-2 (SOD882BD) Gehäuse mit seitlich benetzbaren Flanken untergebracht ist, was die Zuverlässigkeit der Lötstellen erhöht.Merkmale
- Vollständig OPEN Alliance IEEE 10BASE-T1s 100BASE-T1, und 1000BASE-T1 konform
- Hohe 100 V minimale Triggerspannung
- Niedrige 0,4 pF maximale Kapazität
- 1000x Kontaktentladungen (OPEN Alliance Spezifikation) bis zu 15 kV (IEC 61000-4-2)
- Für den Einsatz in Fahrzeuganwendungen gemäß AEC-Q101 zugelassen
- ESD-Schutz bis zu 18 kV (IEC 61000-4-2)
- Gehäuseoptionen
- DFN1006-2 (PESD1ETH10L-Q) Kunststoff, ultrakleines Leadless-Gehäuse, 2 Anschlussklemmen, 0,65-mm-Raster, 1 mm x 0,6 mm x 0,48 mm Gehäuse
- DFN1006BD-2 (PESD1ETH10LS-Q) ultrakleines Leadless-Kunststoffgehäuse mit seitlich benetzbaren Flanken (SWF), 2 Anschlüsse, 0,65-mm-Raster, 1 mm x 0,6 mm x 0,47 mm Gehäuse
Applikationen
- OPEN Alliance IEEE 10BASE-T1s 100BASE-T1, und 1000BASE-T1 Ethernet für Fahrzeuganwendungen
- Low Voltage Differential Signaling (LVDS) für Fahrzeuganwendungen
Technische Daten
- 75 V maximale Sperrspannung
- Nennspitzenimpuls
- 94 W maximale Leistung
- 2,3 A maximale Stromstärke
- 0,3 pF zu 0,4 pF Diodenkapazitätsbereich
- 140 V typische Auslösespannung
- 15 kV bis 18 kV ESD-Schutzbereich
- -55 °C bis +150 °C Umgebungstemperaturbereich
Datenblätter
Pinning-Informationen
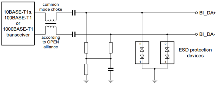
Applikationsschaltplan
Veröffentlichungsdatum: 2025-04-08
| Aktualisiert: 2026-03-11
