Nexperia NEVB-NID5100 Evaluierungsboard
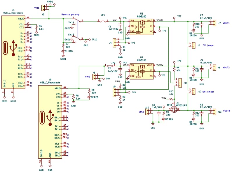
Das NEVB-NID5100 Evaluierungsboard ist eine zweilagige Leiterplatte (PCB), die mit zwei NID5100 Ideal-Dioden und einem PMOS-Transistor ausgestattet ist. Dieses Board misst die Leistung über verschiedene Anwendungsfälle, wie z. B. O-Ring, O-Ring mit einem externen PMOS-Transistor, Prioritäts-O-Ring und Verpolungsschutz. Das NEVB-NID5100 Evaluierungsboard verfügt über einen Eingangsbetriebsspannungsbereich von 1,2 V bis 5,5 V und einen Dauerausgangsstrom von 1,5 A. Dieses Board enthält drei Versorgungseingänge und zwei zusätzliche USB-C™ Versorgungseingänge.Merkmale
- 1,2 V bis 5,5 V Eingangs-Betriebsspannungsbereich (VIN)
- 1,5 A Dauerausgangsstrom
- Drei Versorgungseingänge
- Zwei zusätzliche USB-C™-Versorgungseingänge
- Zugriff auf alle Pins des Bauteils
- Anwendungsfallauswahl über Steckbrücken
Schaltplan
Weitere Ressourcen
Veröffentlichungsdatum: 2024-08-06
| Aktualisiert: 2024-08-29
