Nexperia LFPAK33 Trench 9 Automotive-MOSFETs
Nexperia LFPAK33 Trench 9 Automotive-MOSFETs sind ein Portfolio von 40 V AEC-Q101-MOSFETs mit niedrigem RDS(on) für Module in anspruchsvollen Antriebsstrang-Applikationen. Die Bauteile sind in einem Miniatur-LFPAK33-Gehäuse mit einem Footprint von nur 10,9 mm² untergebracht. Die LFPAK33 MOSFETs verwenden die Trench 9-Technologie von Nexperia. Dies führt zu einer Reduzierung des RDS(on) von 48 % im Vergleich zu früheren Bauteilen. Diese Geräte decken eine Reihe von Applikationen von 30 W bis 300 W ab. Die BUK7M3R3-40H und BUK9M3R3-40H (Standardpegel und Logikpegel) Bauteile verfügen über einen RDS(on) von 3,3 mΩ.Merkmale
- Vollständig AEC-Q101-qualifiziert bis 175 °C für Fahrzeuganwendungen
- Kombination der Trench-9-Siliziumtechnologie in einem Clip-verbundenen LFPAK33-Gehäuse
- Produkte bieten niedrige Schaltverluste und eine niedrige Rth-Leistung
- Benchmark-Rth für thermisch anspruchsvolle Applikationen
- Starke Fehlerzustandstoleranz aufgrund von Technologiefunktionen
- 40 V Trench 9 LFPAK33 MOSFETs
- 3,3 mW bis 20 mW bei 40 V RDS(on)
- Logikpegel und Standard-Level-Gate
- LFPAK33-Clip-Bond-Gehäuse
Applikationen
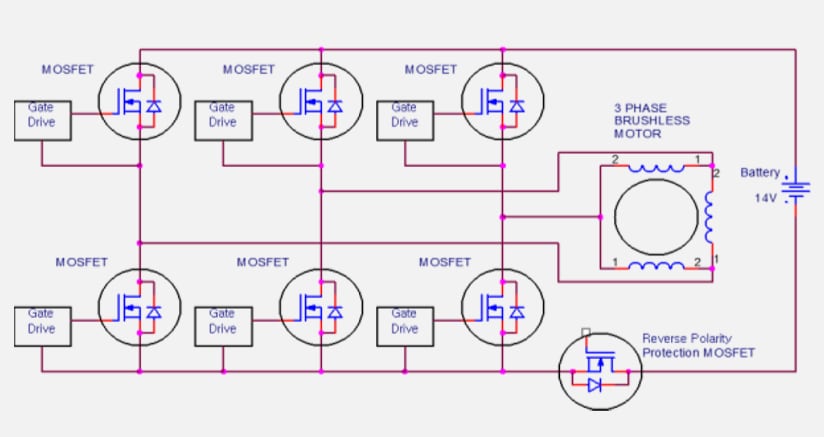
- Antriebsstrangpumpen und Motoren (Öl, Wasser und Kraftstoff)
- Motorlüfter und Pumpen (BLDC- und DC-Motoren)
- Magnetsteuerung
- Batterie-Verpolungsschutz
- Hilfslasten und Motorsteuerung
Blockdiagramm
Übersicht
Weitere Ressourcen
Videos
View Results ( 20 ) Page
| Teilnummer | Datenblatt | Beschreibung |
|---|---|---|
| BUK9M9R5-40HX | ![]() |
MOSFETs SOT1210 N-CH 40V 40A |
| BUK7M5R0-40HX | ![]() |
MOSFETs SOT1210 N-CH 40V 85A |
| BUK7M20-40HX | ![]() |
MOSFETs SOT1210 N-CH 40V 25A |
| BUK7M3R3-40HX | ![]() |
MOSFETs SOT1210 N-CH 40V 80A |
| BUK7M4R3-40HX | ![]() |
MOSFETs SOT1210 N-CH 40V 95A |
| BUK7M6R7-40HX | ![]() |
MOSFETs SOT1210 N-CH 40V 50A |
| BUK7M8R5-40HX | ![]() |
MOSFETs SOT1210 N-CH 40V 40A |
| BUK9M11-40HX | ![]() |
MOSFETs SOT1210 N-CH 40V 35A |
| BUK9M15-40HX | ![]() |
MOSFETs SOT1210 N-CH 40V 30A |
| BUK9M5R0-40HX | ![]() |
MOSFETs SOT1210 N-CH 40V 85A |
Veröffentlichungsdatum: 2020-08-28
| Aktualisiert: 2024-05-06

