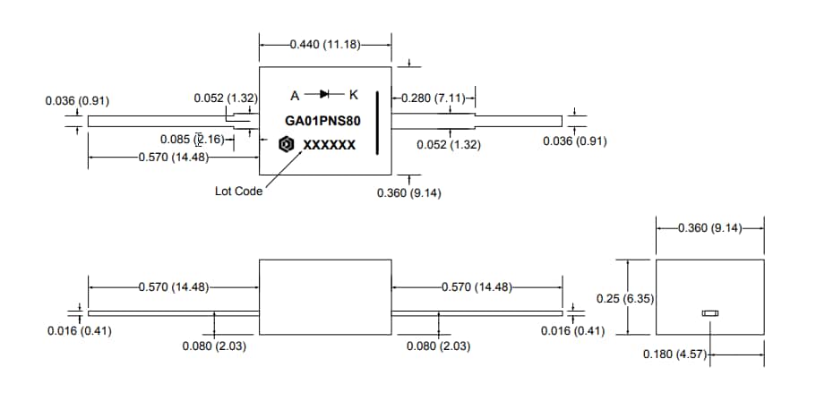
GeneSiC Semiconductor SiC PiN Diodes
GeneSiC Semiconductor SiC PiN Diodes offer reduced stacking and system complexity. The SiC PiN Diodes have ultra-fast high-temperature switching, increasing reliability. Additionally, the PiN Diodes feature a repetitive peak reverse voltage range of 8kV to 15kV and a 1A to 2A continuous forward current. The SiC PiN Diodes are ideal for lighting, defense, and trigger circuit applications.Features
- 15kV Blocking (GA01PNS150-201, GA01PNS150-220)
- 8kV Blocking (GA01PNS80-220)
- 175°C Operating Temperature
- Fast Turn-Off Characteristics
- Soft Reverse Recovery Characteristics
- Ultra-Fast High-Temperature Switching
Applications
- Voltage multiplier
- Ignition/Trigger circuits
- Oil/Downhole
- Lighting
- Defense
SPICE Models
View Results ( 2 ) Page
| Teilnummer | Datenblatt | Beschreibung | Vr - Sperrspannung | If - Durchlassstrom | Vf - Durchlassspannung |
|---|---|---|---|---|---|
| GA01PNS150-201 | ![]() |
Pin-Dioden Silicon Carbide Pin Diode | 15 kV | 1 A | 6.4 V |
| GA01PNS150-220 | ![]() |
Pin-Dioden 15000V 1A Standard | 15 kV | 1 A | 6.4 V |
Veröffentlichungsdatum: 2019-03-13
| Aktualisiert: 2024-12-13

