Murata Electronics MRS Magnetsensoren

Murata Electronics MRS Magnetsensoren bieten einen Versorgungsspannungsbereich von 3,5 V bis 30 V, einen Lastwiderstand von 10 kΩ und einen Temperaturbereich von -40 °C bis +80 °C oder +85 °C. Der MRSS29DR-001 Sensor von Murata bietet einen Stromverbrauch von 1 mA, während der MRSS29E Sensor über einen maximalen Stromverbrauch von 1,5 µA bietet.

Technische Daten

  • Stromverbrauch
    • 1 mA für MRSS29DR-001 Sensor
    • Maximale Nennleistung von 1,5 µA für den MRSS29E Sensor
  • Betriebstemperaturbereich
    • -40 °C bis +80 °C für den MRSS29DR-001 Sensor
    • -40 °C bis +85 °C für den MRSS29E Sensor
  • Versorgungsspannungsbereich: 3,5 V bis 30 V
  • Niedriger Ausgangsspannungspegel: 0,3 V bis 0,5 V
  • Hohe Ausgangsspannung von 11 V bis 11,4 V

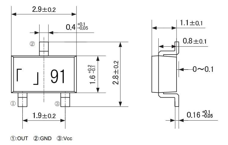
MRSS29DR-001 Abmessungen und Schaltpläne

Murata Electronics MRS Magnetsensoren

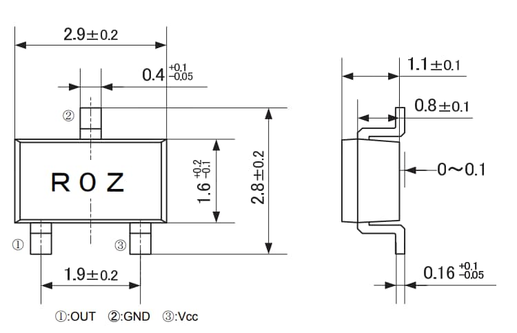
MRSS29E Abmessungen und Schaltpläne

Murata Electronics MRS Magnetsensoren
Veröffentlichungsdatum: 2021-03-18 | Aktualisiert: 2022-03-11