Monolithic Power Systems (MPS) EVQ1923-RE-00A Evaluation Board

Monolithic Power Systems (MPS) EVQ1923-RE-00A Evaluation Board is designed to evaluate and demonstrate the MPQ1923, a high-frequency half-bridge gate driver. This board features a 5V to 17V driver power supply voltage range and Undervoltage-Lockout (UVLO) protection for the High-Side (HS-FET) and Low-Side (LS)-FET gate drivers. The MPQ1923 is available in a small QFN-10 (4mm x 4mm) or QFN-8 (4mm x 4mm) package. Typical applications include telecommunication half-bridge power supplies, avionics DC/DC converters, two-switch forward converters, and active-clamp forward converters.

Features

  • Drives an N-channel MOSFET half-bridge
  • Low dropout with 4.5V Under-Voltage Lockout (UVLO) falling threshold
  • 120V Bootstrap voltage (VBST) range
  • On-chip bootstrap diode
  • 20ns typical propagation delay
  • 8A sink current (ISINK)
  • 7A source current (ISOURCE) at 12V VDD
  • <5ns gate driver matching time delay
  • Drives a 1nF load with 7.2ns Rise Time (tRISE) and 5.5ns Fall Time (tFALL) at 12V VDD
  • TTL-compatible input
  • <300μA Quiescent current (IQ)
  • UVLO protection for the High-Side Field Effect Transistor (HS-FET) and Low-Side Field Effect Transistor (LS-FET) gate drivers
  • Available in QFN-10 (4mm x 4mm) and QFN-8 (4mm x 4mm) packages
  • Available in AEC-Q100 grade 1

Applications

  • Telecommunication half-bridge power supplies
  • Avionics DC/DC converters
  • Two-switch forward converters
  • Active-clamp forward converters

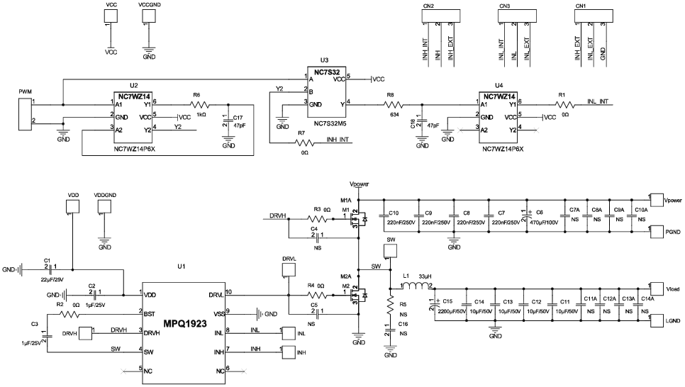
Schematic Diagram

Schematic - Monolithic Power Systems (MPS) EVQ1923-RE-00A Evaluation Board
Veröffentlichungsdatum: 2023-05-31 | Aktualisiert: 2023-06-20