Monolithic Power Systems (MPS) EVL1608-TL-00A Evaluation Board
Monolithic Power Systems (MPS) EVL1608-TL-00A Evaluation Board is designed to evaluate the MP1608 step-down switch-mode converter with built-in internal power MOSFETs. This step-down converter can achieve up to 6A of continuous output current (IOUT) from a 2.4V to 5.5V input voltage (VIN) range. The MP1608 full protection features include Over-Current Protection (OCP), current limiting with hiccup mode, and thermal shutdown. The EVL1608-TL-00A evaluation board is ideal for IP cameras, notebooks and PCs, SSD/optical modules, multi-function printers, and battery-powered devices.Applications
- IP cameras
- Notebooks and PCs
- SSD/optical modules
- Multi-function printers
- Battery-powered devices
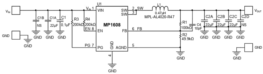
Schematic
Veröffentlichungsdatum: 2025-03-27
| Aktualisiert: 2025-04-30
