Mini-Circuits EP2 2-Way & EP4 4-Way Power Splitter/Combiners

Mini-Circuits EP2RCW, EP2RKU+, EP4RKU+, and EP4KA+ Surface-Mount MMIC 2-Way and 4-Way Power Splitter/Combiners are designed for wideband operation from DC to 8GHz/18GHz/31GHz. Mini-Circuits EP2 and EP4 Splitter/Combiners offer excellent isolation and amplitude unbalance and support many applications requiring high performance across a wide frequency range, including all the LTE bands through WiMax and Wi-Fi®.

Features

  • DC to 8GHz/18GHz/31GHz wideband operation
  • Excellent isolation
    • 21dB typical at 4GHz (EP2RCW+)
    • 21dB typical at 12GHz (EP2RKU+)
    • 20dB typical at 12GHz (EP4KA+)
    • 20dB typical at 9GHz (EP4RKU+)
  • 2-Way-0° (EP2) or 4-Way-0° (EP4)
  • 50Ω impedance
  • -55°C to +105°C operating temperature range

Applications

  • WiMAX
  • ISM
  • Instrumentation
  • Radar
  • WLAN
  • Satellite communications
  • LTE

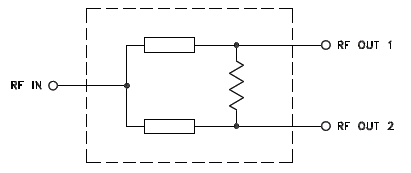
EP2 Schematic

Schematic - Mini-Circuits EP2 2-Way & EP4 4-Way Power Splitter/Combiners

EP4 Schematic

Schematic - Mini-Circuits EP2 2-Way & EP4 4-Way Power Splitter/Combiners
Veröffentlichungsdatum: 2020-07-30 | Aktualisiert: 2024-05-08