Mikroe PIXI™ Click Board
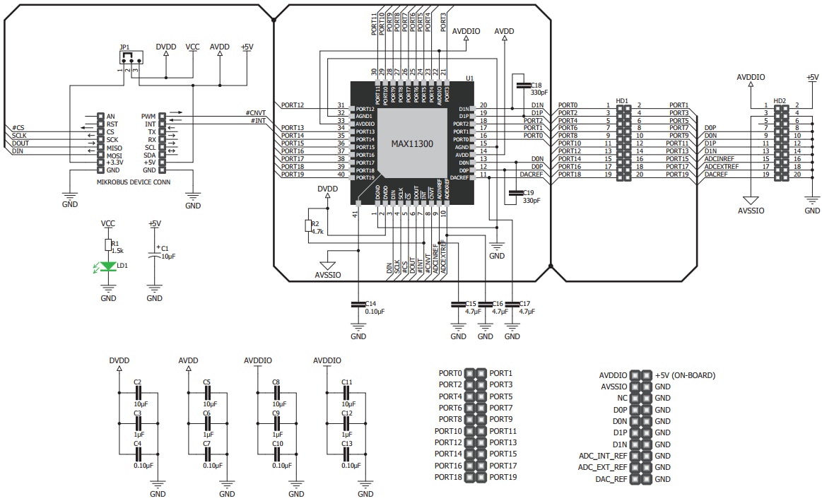
Das PIXI™ Click Board von MikroElektronika ist für Mischsignal-Applikationen, bei denen analoge und digitale Funktionen erforderlich sind, ausgelegt.PIXI ist eine Abkürzung für Programmable mIXed signal In/Out (programmierbarer Mischsignal-Ein-/Ausgang). Diese Technologie ermöglicht ein sehr flexibles Routing von sowohl digitalen als auch analogen Signalen. Dieses Click Board ist mit dem MAX11300 IC 20-Kanal-Mischsignal-Datenwandler ausgestattet, der ein flexibles Routing von sowohl digitalen als auch analogen Signalen ermöglicht. Jeder Mischsignal-Anschluss des MAX11300 IC kann einzeln als ADC-Eingang, DAC-Ausgang oder als analoger Schaltanschluss konfiguriert werden. Dieses PIXI Click Board verfügt über einen 12-Bit-Mehrkanal-SAR-ADC, gepufferten DAC und Temperatursensoren zur Verfolgung der Sperrschicht- und Umgebungstemperatur. Das PIXI Click Board eignet sich hervorragend für die Überwachung und Anpassung der Vorspannung auf den Leistungsverstärkern, automatische Lüfterdrehzahlregler und digitale Pegelwandler.Merkmale
- MAX11300 20-channel mixed-signal data converter
- Single IC allows realization of many mixed signal applications
- Wide range of input and output voltages
- Interfaces
- General purpose input/output (GPIO)
- Serial peripheral interface (SPI)
- 4.75V to 5.25V analog power supply voltage (AVDD)
- 2.50V to 5.50V digital power supply voltage (DVDD)
- 15.75V external supply positive voltage (AVDDIO)
- 12V external supply negative voltage (AVSSIO)
- Power LED indicator
- -40°C to +150°C operating temperature range
Applikationen
- Digital level shifters
- Automatic fan speed controllers
- Monitoring and adjusting the bias on power amplifiers
Overview
Schematic
Veröffentlichungsdatum: 2018-01-19
| Aktualisiert: 2022-07-28
