Mikroe MUX Click (MIKROE-3247)

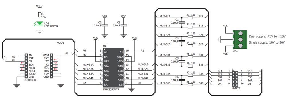
Das MIKROE-3247 MUX Click von MikroElektronika ist ein Click Board™, das einen der vier Differential-Eingänge zu einem Differential-Ausgang umschaltet. Das MUX Click nutzt den MUX509 modernen integrierten CMOS-Schaltkreis mit analogem Multiplexing von Texas Instruments. Dieser integrierte Schaltkreis kann sowohl mit zwei Netzteilen von ±5 V bis ±18 V als auch mit einem einzelnen Netzteil von 10 V bis 36 V betrieben werden. Der Rail-to-Rail-Betrieb ermöglicht dem Eingangssignal ohne Verzerrung zur Spannung des Netzteils auf- und abzuschwingen.

Merkmale

  • Unterbrechungsschaltungsfunktion
  • Schutz gegen elektrostatische Entladungen von bis zu 2 kV
  • Niedriger Eingangsstrom-Kriechverlust und niedriger On-Widerstand
  • GPIO-Schnittstelle (Universal-Eingangs/-Ausgangsschnittstelle)
  • Eingangsspannung von 5 V
  • M Click Board-Größe (42,9 mm × 25,4 mm)

Applikationen

  • Automatisierung und Prozesssteuerung
  • Programmierbare Logik-Controller
  • Digitale Multimeter
  • Batterieüberwachung
  • Applikationen, die eine Differential-Signalschaltung erfordern

Schaltplan

Schaltplan - Mikroe MUX Click (MIKROE-3247)

Übersicht

Blockdiagramm - Mikroe MUX Click (MIKROE-3247)
Veröffentlichungsdatum: 2019-01-02 | Aktualisiert: 2022-08-08