Mikroe MUX 2 Click (MIKROE-3245)
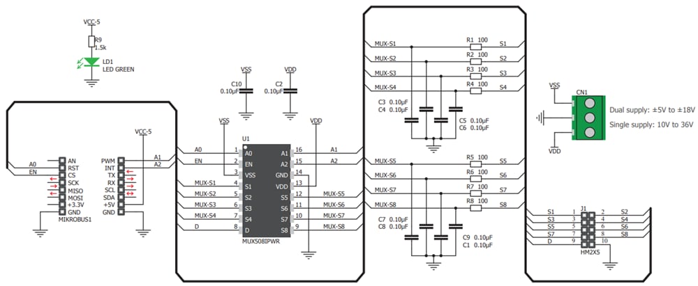
Das MIKROE-3245 MUX 2 Click von MikroElektronika ist ein Click Board™, das einen der acht Eingänge zu einem Ausgang umschaltet. Es nutzt den MUX508 modernen integrierten CMOS-Schaltkreis mit analogem Multiplexing, der von Texas Instruments hergestellt wird. Dieser integrierte Schaltkreis kann sowohl mit zwei Netzteilen von ±5 V bis ±18 V als auch mit einem einzelnen Netzteil von 10 V bis 36 V betrieben werden. Das Bauteil bietet einen Rail-to-Rail-Betrieb, der dem Eingangssignal ohne Verzerrung ein Auf- und Abschwingen zur Spannung des Netzteils ermöglicht. Aufgrund der Funktionen, wie die Unterbrechungsschaltungsfunktion, der elektrostatische Entladungsschutz von bis zu 2 kV, der niedrige On-Widerstand und der geringe Kriechverlust des Eingangsstrom, ist die Schaltung eine geeignete Lösung für verschiedene Schaltapplikationen, die mit sowohl unipolaren als auch bipolaren Signalen arbeiten.Merkmale
- Unterbrechungsschaltungsfunktion
- Schutz gegen elektrostatische Entladungen von bis zu 2 kV
- Niedriger Eingangsstrom-Kriechverlust und niedriger On-Widerstand
- Universal-Eingangs/-Ausgangs-Protokollschnittstelle
- Eingangsspannung von 5 V
- M Click Board-Größe (42,9 mm × 25,4 mm)
Applikationen
- Automatisierung und Prozesssteuerung
- Programmierbare Logik-Controller
- Digitale Multimeter
- Batterieüberwachung
- Applikationen, die eine Differential-Signalschaltung erfordern
Schaltplan
Übersicht
Veröffentlichungsdatum: 2019-01-02
| Aktualisiert: 2022-08-08
