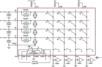
Microchip Technology Ultraschall T/R Schalter-ICs

Microchip Ultraschall T/R Schalter-ICs bieten einen Hochspannungs-/Hochstrombegrenzungsschutz. Microchip Ultraschall T/R Schalter-ICs schützen einen rauscharmen Empfänger vor den Hochspannungs-Impulsen in Ultraschallanwendungen und werden üblicherweise als Transmit-and-Receive (T/R)-Schalter bezeichnet. Ultraschall T/R Schalter-ICs können als normale geschlossene Schalter mit einem typischen Schaltwiderstand von 15Ω, der kleine Signale durchlässt, angesehen werden. Sobald der Spannungsabfall über beide Kontakte eine Nennspannung übersteigt, leitet die Komponente den Ausschaltvorgang ein. Im ausgeschalteten Zustand halten die Komponenten MD0105, MD0200 und MD0201 Spannungen bis zu ±130V über ihre Anschlüsse stand, während das MD0101 bis zu ±100V spannungsfest ist. Eine kleine Strommenge, typischerweise 200μA, kann hindurchfließen. Ultraschall T/R Schalter-ICs sind nicht auf die Verwendung in Ultraschall-Anwendungen begrenzt. Sie können ebenfalls für rückstellbare Sicherungen zum Schutz von Stromleitungen, Kurzschlussschutz am Ausgang und Datenerfassung genutzt werden.

Merkmale

  • Fast switching speed
  • Four electrically isolated channels
  • No external supplies needed

Applikationen

  • Medical ultrasound imaging
  • NDT applications
  • Fast resettable fuses
  • High side switches
  • Data acquisition

Block Diagrams

View Results ( 2 ) Page
Teilnummer Verpackung/Gehäuse Bandbreite Datenblatt Beschreibung
MD0105K6-G VDFN-18 100 MHz MD0105K6-G Datenblatt Schalter IC - Verschiedene 4CH HV PROTECTION SWITCH
MD0101K6-G DFN-18 100 MHz MD0101K6-G Datenblatt Schalter IC - Verschiedene HV PROTECTION SWITCH W/ CLAMP DIODES
Veröffentlichungsdatum: 2013-04-10 | Aktualisiert: 2022-03-11