Microchip Technology HV7360 Ultraschall Hochgeschwindigkeits-Impulsgeber
Der Microchip HV7360 ist ein Hochspannungs-, Hochgeschwindigkeits-Impulsgenerator mit integrierten Dämpfungs-FETs für eine schnelle Rückkehr zu Null. Das Microchip HV7360 Hochspannungs-, Hochgeschwindigkeits-IC ist konzipiert für tragbare medizinische Ulltraschall-bildgebende Geräte und kann ebenfalls für ZfP- und Prüfgeräteanwendungen eingesetzt werden. Der HV7335 verfügt über eine integrierte Controller-Logik-Schnittstellenschaltung, Pegelumsetzer, AC-gekoppelte MOSFET-Gate-Treiber und p-Kanal- sowie n-Kanal-Hochspannungs-und-Hochstrom-MOSFETs als Ausgangsstufe. Die Ausgangsstromspitzen jedes Kanals liegen garantiert oberhalb von ±2.5A mit einer Impulsschwingung von bis zu ±100V. Die integrierten Regler für die Gate-Treiber speichern nicht nur zwei erdfreie Spannungsversorgungen, sondern vereinfachen das Platinen-Layout.Merkmale
- HVCMOS technology for high performance
- High-density integration AC coupled pulser
- 0 to ±100V output voltage
- ±2.5A source and sink minimum pulse current
- Up to 35MHz operating frequency
- 2.0ns matched delay times
- 2.5, 3.3 or 5.0V CMOS logic interface
- Low power consumption and very simple to use
Applikationen
- Medical ultrasound imaging
- Piezoelectric transducer drivers
- NDT ultrasound transmission
- Pulse waveform generator
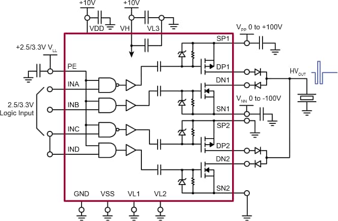
HV7360 Application Diagram
Veröffentlichungsdatum: 2013-08-19
| Aktualisiert: 2022-03-11
