Microchip Technology PIC32CZ CA80/CA90 Mikrocontroller
Die PIC32CZ CA80/CA90-Mikrocontroller von Microchip Technology sind 32-Bit-Hochleistungs-MCUs, die auf einem ARM Cortex® -M7-Prozessor basieren. Diese Mikrocontroller bieten bis zu 8 MB Flash und 1 MB SRAM. Die CA80/CA90 MCUs bieten eine große Auswahl von Konnektivitätsoptionen, darunter Hochgeschwindigkeits-USB, CAN FD, SQI, SDHC, I2S™, Media LB™-Bus, EBI und SERCOM. Die MCUs verfügen über eine Speicherschutzeinheit (MPU), eine Taktausfallerkennung mit einem ausfallsicheren internen RC-Oszillator und einen Schreibschutz auf einigen Peripheriegeräten. Die PIC32CZ CA80/CA90-MCUs sind in 100-Pin-, 144-Pin-, 176-Pin- und 208-Pin-TQFP- und BGA-Gehäusen verfügbar.Die PIC32CZ CA90-MCUs verfügen über ein integriertes Hardware-Sicherheitsmodul (HSM) für die Entwicklung sicherer Applikationen. Das HSM bietet die gesamte kryptografische hardware-Beschleunigung, Schlüsselspeicherung und Hardwarezufallszahlengenerator (TRNG) für die Implementierung von Sicherheitsfunktionen, wie z. B. sicheres Booten, TLS und Verschlüsselung/Entschlüsselung. Die PIC32CZ CA80-MCUs sind für die Implementierung von Funktionen und Applikationen, wie z. B. Industrie-Gateways, Grafik und Fahrzeuganwendungen ausgelegt.
Merkmale
- Anschlussfähigkeit:
- Bis zu 10 SERCOM-Schnittstellen, einschließlich USART,I2C, SPI und LIN
- Bis zu zweiI2S-Modulemit TDM-Unterstützung (Time Division Multiplexing)
- Bis zu zwei serielle Quad-Schnittstellen (SQI)
- Bis zu sechs CAN-FD-Anschlüsse mit dediziertem Direct Memory Access (DMA)
- Ein MediaLB® Controller
- Bis zu zwei Hochgeschwindigkeits-USB 2.0-Anschlüsse
- 10/100/1000 Ethernet mit dediziertem DMA, IEEE® 1588 und Ethernet Audio/Video Bridging (AVB) Unterstützung
- Funktionale Sicherheit:
- ECC mit Fehlerinjektion bei Flash und allen SRAMs
- Globale mBIST
- Speicherschutzeinheit (Memory Protection Unit, MPU)
- Schreibschutz auf einigen Peripheriegeräten
- Taktausfallerkennung mit ausfallsicherem internem RC-Oszillator
- Rückblick auf Kommunikationsschnittstellen
- Das mit den PIC32CZ CA90 MCUs verfügbare HSM bietet die folgenden Eigenschaften:
- RSA-, DSA- und ECC-public-key-Kryptografie mit bis zu 4.096-bit-Schlüssellänge
- Die AES-Verschlüsselung ist vollständig konform mit NIST FIPS 197-bit- und 256-bit-Schlüssellänge
- Hash/MAC mit MD-5, SHA-1, SHA-256, SHA-224, SHA-384, SHA-512 und SHA3 Fähigkeit
- Hardwarezufallszahlengenerator (TRNG)
- Sichere Schlüsselspeicherung
- Werksbereitstellung
Technische Daten
- Betriebsbedingungen:
- VDDREG: 1,75 V bis 1,85 V, -40 °C bis 85 °C und DC bis 300 MHz
- VDDIO/AVDD: 1,75 V bis 3,63 V, -40 °C bis 85 °C und DC bis 300 MHz
- 300 MHz ARM Cortex® -M7:
- Superskalare Pipeline (6 Stufen mit Abzweigprognose)
- L1-Cache (16 KB jeweils ECC-geschützte Befehls- und Datencache)
- Bis zu 256 KB Tightly Coupled Memory (TCM) (128 KB jeweils ECC-geschützte Befehls- und Daten-TCM)
- Speicherschutzeinheit (Memory Protection Unit, MPU) mit 8 Regionen
- Fließkommaeinheit (FPU) mit doppelter und einfacher Präzision (32-bit und 64-bit)
- Multiply Accumulate Unit (MAC) mit Einzelzyklus-Durchsatz
- DSP Thumb®-2-konformer Befehlssatz
- Taktmanagement:
- Interner 32.768 kHz-Oszillator mit extrem geringem Stromverbrauch
- Erkennung von Taktfehlern wird an den normalen Interrupt oder den NMI-Controller (NonMaskable Interrupt) weitergeleitet:
- CPU-Frequenzüberwachung
- Erkennung des Ausfalls des Hauptquarzoszillators
- Überwachung der Frequenz des 32.768 kHz-Quarzoszillators
- Unabhängiger Watchdog-Timer (WDT)
- Interner getrimmter Präzisions-RC-Oszillator mit 48 MHz
- Bis zu zwei PLLs für den Systemtakt und eine PLL für den USB-Hochgeschwindigkeitsbetrieb
- FREQM: Frequenzmesser
- Leistungsmanagement:
- Power-on-Reset (POR) und Brown-Out-Reset (BOR)
- Mehrere Leistungsmanagement-Modi: Leerlauf-, Standby-, Ruhezustand-, Backup- und Aus-Modus
- Extrem stromsparende Echtzeituhr (RTC) und Echtzeit-Timer (RTT):
- RTC mit gregorianischem Kalender und UTC-Modus, Wellenformerzeugung in stromsparenden Modi
- RTC-Zähler-Trim-Kalibrierungsschaltung zum Ausgleich von 32.768kHz-Quarzfrequenzschwankungen
- Speicher:
- 8 MB, 4 MB und 2 MB systeminterner, selbstprogrammierbarer Flash mit:
- Fehlerkorrekturcode (ECC = Flash, SRAM, TrustRAM, Cache und TCM)
- Dualbank mit Read-While-Write-Unterstützung (RWW) (Live-Aktualisierung)
- Bis zu 4 KB emulierter Benutzer-OTP-Speicher
- Zusätzlicher 2x 80 KB Boot-Flash-Speicher (2 x 24 Seiten)
- Bis zu 256 kB Tightly Coupled Memory (TCM) mit ECC
- Bis zu 8 KB zusätzlicher SRAM:
- Kann im Backup-Modus beibehalten werden
- Acht 32-bit-Backup-Register
- 8 MB, 4 MB und 2 MB systeminterner, selbstprogrammierbarer Flash mit:
Applikationen
- PIC32CZ CA80-MCUs:
- Industrielle Gateways
- Grafik
- Automobil-Applikationen
Implementierung von Sicherheit mit PIC32CZ CA90 Mikrocontrollern
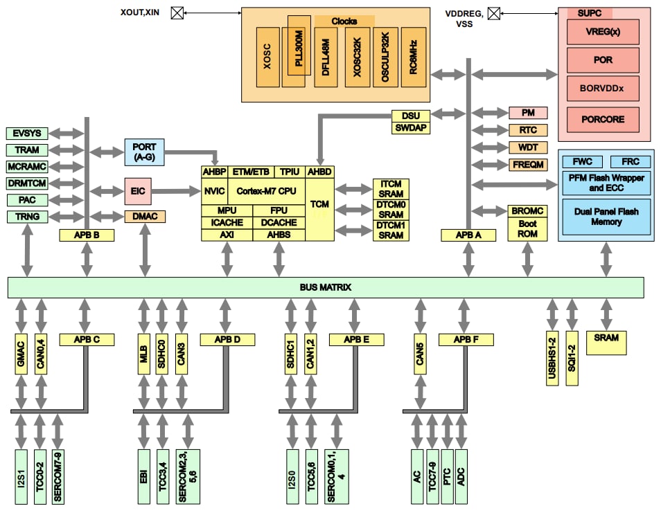
Blockdiagramm
Schaltplan
Veröffentlichungsdatum: 2024-01-12
| Aktualisiert: 2024-12-20
