Microchip Technology MIC28514T-E/PHA Spannungsregler
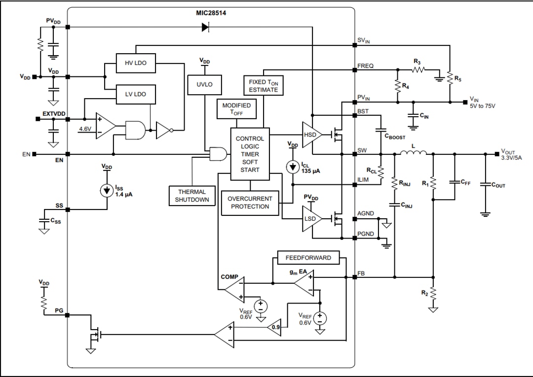
Der Microchip MIC28514T-E/PHA Spannungsregler ist ein adaptiver synchroner On-Time-DC/DC-Abwärtsregler mit einer externen Soft-Start-Funktion. Dieser Regler liefert bis zu 5 A Ausgangsstrom von einem Eingangsspannungsbereich von 4,5 V bis 75 V. Der MIC28514T Regler arbeitet bei einer Temperatur zwischen -40 ºC bis 125 ºC und in einem Schaltfrequenzbereich von 270 kHz bis 800 kHz. Der MIC28514T umfasst eine Hyperspeed-Steuerungs-Architektur, die ein extrem schnelles Einschwingverhalten bei gleichzeitiger Verringerung der Ausgangskapazität ermöglicht. Diese adaptive On-Time-Steuerarchitektur vereint die Vorteile eines Festfrequenzbetriebs und einem schnellen Einschwingverhalten in einem einzigen Bauteil.The Microchip Technology MIC28514 Voltage Regulator is available in a 38-pin 6mm x 6mm PQFN pacakge with a -40°C to +125°C operating range.
Merkmale
- Die Hyperspeed-Steuerungs-Architektur ermöglicht:
- Hohe Umwandlungsverhältnis-Fähigkeit von Eingangs- und Ausgangsspannung von (VIN=75 V und VOUT=0,6 V)
- Kleine Ausgangskapazität
- Anpassbare Ausgangsspannung von 0,6 V bis 32 V
- Ausgangskondensatoren mit Null-ESR bis hoher ESR
- Interne Kompensation
- Integrierte 5V-Regler für Einzelversorgungsbetrieb
- Hilfs-Bootstrap-LDO für verbesserten Systemwirkungsgrad
- Integrierte Bootstrap-Diode
- Einstellbare Soft-Start-Zeit
- Programmierbare Strombegrenzung
- Kurzschluss-Sicherung mit „Hiccup“-Modus
- Thermische Abschaltung
- Unterstützt sicheren Start in den vorgespannten Ausgang
- Erhältlich in einem 32-Pin-VQFN-Gehäuse von 6 mm x 6 mm
Applikationen
- Verteilte Stromversorgungssysteme
- Kommunikations-/Netzwerkinfrastruktur
- Industrienetzteile
- Solarenergie
Typical Application Circuit
Block Diagram
Veröffentlichungsdatum: 2017-05-29
| Aktualisiert: 2022-03-11
