Microchip Technology MIC23350/23356/23656 Abwärtsregler
Microchip Technology MIC23350/23356/23656 Abwärtsregler sind synchrone Regler mit HyperLight Load™-Architektur, die einen hohen Wirkungsgrad bei leichten Lasten ermöglicht. Die MIC23350 Regler nutzen zwei VSEL (Spannungsauswahl) Dreistufen-Pins für die Einstellung der Ausgangsspannung, die neun verschiedene Kombinationen ermöglichen. Diese Regler sind in einem thermisch effizienten, dünnen 16-Pin-MLF-Gehäuse von 2,5 mm x 2,5 mm x 0,5 mm erhältlich. Die MIC23350/23356/23656 Regler verfügen über einen Eingangsspannungsbereich von 2,4 V bis 5,5 V und einen niedrigen Abschalt- und Ruhestrom und eignen sich daher hervorragend für Einzellen-, Li-Ionen- und batteriebetriebene Applikationen.Merkmale
- MIC23350:
- 3 A Dauerstrom
- Kompakte Größe
- Ausgang mit zwei dreistufigen VSEL-Pins programmierbar
- Eingangsspannungsbereich von 2,4 V bis 5,5 V
- Open-Drain-Power-Good-Ausgang (PG)
- MIC23356:
- 3 A Dauerstrom
- I2C-programmierbar
- Constant-ON-Time (COT) Steuerarchitektur mit HLL
- Eingangsspannungsbereich von 2,4 V bis 5,5 V
- Open-Drain-Power-Good-Ausgang (PG)
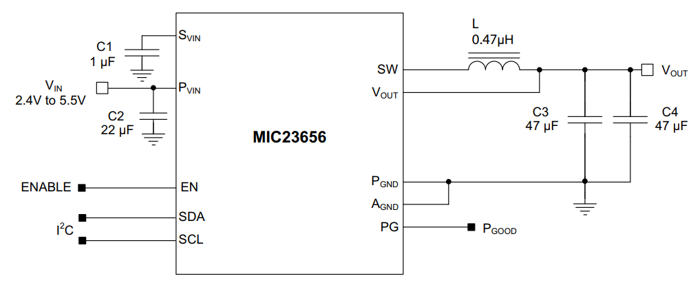
- MIC23656:
- 6 A Ausgangsstrom (gepulst)
- Mehrfachstörungsanzeige über I2C
- Schnelles Einschwingverhalten
- Sicheres Einschalten mit einem vorgespannten Ausgang
- Übertemperaturschutz mit Latch-Off
- Strombegrenzungsschutz mit Latch-Off
- Open-Drain-Power-Good-Ausgang (PG)
Applikationen
- Solid-State-Drive (SSD)
- FPGAs, DSP und Niederspannungs-ASIC-Stromversorgung
Veröffentlichungsdatum: 2019-01-22
| Aktualisiert: 2023-05-09
