Microchip Technology MIC21LV32 und MIC21LV33 Fortschrittlicher COT-PWM-Controller

Microchip Technology MIC21LV32 und MIC21LV33 Fortschrittliche 36-V-Dualphasen-COT-PWM-Controller bieten eine einzigartige adaptive ON-Time-Control-Architektur. Der MIC21LV33 Controller verfügt über HyperLight Load®- und Phasenabschaltungs-Funktionen, während der MIC21LV32 eine stapelbare Funktion von bis zu 8 Phasen bietet. Die Hyper Speed Control®-Architektur unterstützt ein extrem schnelles Einschwingverhalten bei mittleren bis hohen Lasten. Der Sanftanlauf kann auch extern mit einem Kondensator programmiert werden, wodurch ein sicheres Einschalten in schwere Lasten ermöglicht wird.

Die MIC21LV32 und MIC21LV33 von Microchip werden über einen Eingangsversorgungsbereich von 4,5 V bis 36 V betrieben und können zur Versorgung eines Ausgangsstroms von bis zu 50 A verwendet werden. Die Eingangsspannung kann mit einer bereitgestellten externen VDD von 5 V auf 2 V gesenkt werden. Die Ausgangsspannung der Bauteile ist bis hinunter auf 0,6 V mit einer garantierten Genauigkeit von ±1 % über die gesamte Betriebstemperatur einstellbar.

Die MIC21LV32 und MIC21LV33 Controller sind in einem 32-Pin-VQFN-Gehäuse von 5 mm x 5 mm mit einem Sperrschichtbetriebstemperaturbereich von -40 °C bis +125 °C verfügbar.

Merkmale

  • Eingangsspannungsbereich: 4,5 V bis 36 V
  • Eingang bis hinunter zu 2 V, wenn VDD = 5 V von einer externen Versorgung
  • Einstellbare Ausgangsspannung von 0,6 V bis 28 V
  • Adaptive Constant-On-Time-Steuerung:
  • Hoher DeltaV-Betrieb
  • Mit jedem Kondensator (Capacitor™) stabil
  • Interne Referenz von 0,6 V mit einer Genauigkeit von ±1 %
  • Referenzgenauigkeit von ±0,5 % für -40 °C bis 105 °C
  • Neue Methode zur Welligkeitsinjektion, um einen Betrieb mit einem Tastverhältnis von mehr als 50 % zu ermöglichen
  • Wird in CCM betrieben und ist für einen Mehrphasenbetrieb von bis zu acht Phasen (MIC21LV32) stapelbar
  • HyperLight Load® und automatische Phasenabschaltung (MIC21LV33)
  • Kann mit einem externen MCU (MIC21LV33) verbunden werden
  • Genauer Stromausgleich zwischen den Phasen
  • Präzise 180°-Phasenverschiebung der Ausgänge
  • Schaltfrequenz pro Phase: 100 kHz bis 1 MHz
  • Interner 5-V-Hochspannungs-LDO für einen Einzelversorgungsbetrieb (MIC21LV33)
  • Sekundärer LDO zur Verbesserung des Systemwirkungsgrads
  • Unterstützt Inbetriebnahme zum Vorspannungs-Ausgang
  • Fernerkundungsverstärker für eine enge Ausgangsregelung
  • Absenkfunktion zur Unterstützung einer adaptiven Spannungspositionierung (AVP) für ein verbessertes Last-Einschwingverhalten
  • Genaue Freigabefunktion für einen niedrigen Standby-Strom
  • Externer programmierbarer Soft-Start zur Reduzierung des Einschaltstroms
  • Verlustfreie RDSON-Strommessung mit NTC-Temperaturkompensation oder Widerstands-Erfassungsart
  • Programmierbare Strombegrenzung und Kurzschluss-Sicherung im Hiccup-Modus
  • Thermische Abschaltung mit Hysterese
  • Sperrschichttemperaturbereich: -40 °C bis +125 °C
  • Kompaktes 32-Pin-VQFN-Gehäuse von 5 mm x 5 mm

Applikationen

  • Verteilte Stromversorgungssysteme
  • Kommunikations-/Netzwerkinfrastruktur
  • Drucker, Scanner, Grafikkarten und Videokarten
  • FPGA-, CPU-, MEM-, GPU-Core-Versorgungen

Typische Applikations-Schaltungen

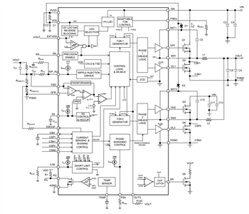
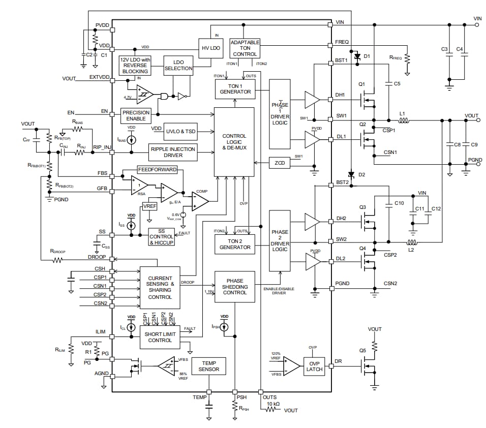
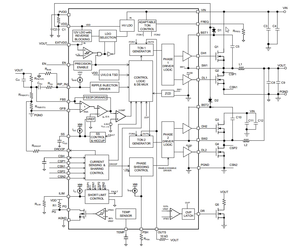
Blockdiagramme

Veröffentlichungsdatum: 2021-04-28 | Aktualisiert: 2022-04-20