Microchip Technology MCP8021/MCP8022 Dreiphasen-BLDC-Motor-Gate-Treiber
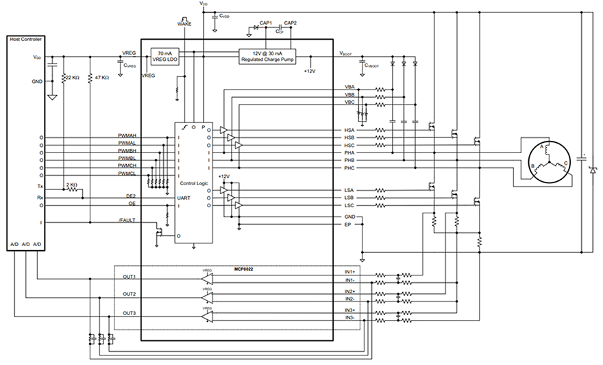
Microchip Technology MCP8021 und MCP8022 Bürstenlose Dreiphasen-DC(BLDC)-Motor-Gate-Treiber enthalten drei integrierte Halbbrückentreiber, die drei externe NMOS/NMOS-Transistorpaare ansteuern können. Die drei Halbbrückentreiber können einen Spitzenausgangsstrom von 0,5 A bei 12 V für den Antrieb von High-Side- und Low-Side-NMOS-MOSFET-Transistoren liefern. Die Treiber werden in einem Temperaturbereich von -40°C bis +165°C betrieben und verfügen über einen Durchzündungs- und Überstromschutz sowie eine Kurzschluss-Sicherung. Der Ruhemodus erreicht einen typischen “Aus-Tasten” -Ruhestrom von 5µA.Die MCP802x Bauteile enthalten einen LDO-Regler von 3,3 V oder 5,0 V für Host-/Peripherieleistung, einen Übertemperatursensor und benutzerkonfigurierbare Funktionen. Die benutzerkonfigurierbaren Funktionen umfassen Totzeit, Austastzeit, Operationsverstärker-Aktivierung/Deaktivierung während des Standby, Aktivieren/Deaktivieren des Schlafmodus, Aktivieren/Deaktivieren der Überstromerkennung und Aktivieren/Deaktivieren des Gate-Drive-Unterspannungsschutzes. Die On-Board-Dropout-Spannungsregler von 3,3 V oder 5,0 V können einen Strom von 70 mA liefern. Die Spannungsoption wird nach Teilenummer ausgewählt.
Die Optionen für den MCP8021 umfassen 28-Pin-VQFN- und 28-Pin-TSSOP-EP-Gehäuse von 5 mm x 5 mm. Der MCP8022 ist in einem 40-Pin-VQFN- und 38-Pin-TSSOP-EP-Gehäuse von 5 mm x 5 mm erhältlich. Darüber hinaus fügt das MCP8022 Bauteil drei unabhängige Operationsverstärker für den allgemeinen Einsatz hinzu.
Merkmale
- Nach AEC-Q100 Klasse 0 qualifiziert
- 3 x Halbbrückentreiber, die zur Ansteuerung von externen High-Side-NMOS- und Low-Side-NMOS-MOSFETs konfiguriert sind.
- Unabhängige Eingangssteuerung für High-Side- und Low-Side-NMOS-MOSFET-Gate-Treiber
- Typischer Spitzenstrom bei 12 V: 0,5 A
- Durchzündungsschutz
- Überstromschutz und Kurzschluss-Sicherung
- 3 x Operationsverstärker (MCP8022)
- Linearregler mit festem Ausgang
- 3,3 V oder 5,0 V bei 70 mA
- Echter Strom-Foldback
- Versorgungsstrom
- Typischer Schlafmodus: 5 µA
- Standby-Modus
- <330µA für MCP8021
- <330 µA für MCP8022 mit ausgeschalteten Operationsverstärkern
- <1.300 µA für MCP8022 mit eingeschalteten Operationsverstärkern
- Dedizierter WAKE-Pin für die Wiederherstellung im Ruhemodus
- Dedizierter Fehlerpin
- Einzeldraht-UART-Kommunikation
- Spannungbereiche
- 4-V- bis 40-V-Versorgung
- 6,25 V bis 29 V Betrieb
- Schutzfunktionen
- Gate-Treiber-Unterspannungssperre: 4,5 V
- Versorgungsspannungs-Unterspannungsabschaltung: 4,5 V
- Versorgungsspannungs-Unterspannungssperre: 6,25 V
- Überspannungssperre: 29 V
- Thermische Abschaltung
- Gehäuseoptionen
- MCP8021
- 28-Pin-VQFN-Gehäuse von 5 mm x 5 mm
- 28-Pin-TSSOP-EP-Gehäuse
- MCP8022
- 40-Pin-VQFN-Gehäuse von 5 mm x 5 mm
- 38-Pin-TSSOP-EP-Gehäuse
- MCP8021
- -40 °C bis +165 °C Temperaturbereich
Applikationen
- Fahrzeuganwendungen
- Kraftstoff-, Wasser- und Ölpumpen
- Lüftungsmotoren
- Fensterheber, Kofferraumöffner und Sonnendächer
- Haushaltsgeräte
- Permanentmagnet-Synchronmotorsteuerung (PMSM)
- Hobby-Flugzeuge, Boote und Fahrzeuge
Typische Applikations-Schaltung
| Teilnummer | Datenblatt | Betriebsversorgungsstrom | Ausgangsspannung | Verpackung/Gehäuse |
|---|---|---|---|---|
| MCP8021-5015H/9PXVAO | ![]() |
1.2 mA | 5 V | VQFN-28 |
| MCP8022-3315H/NHXVAO | ![]() |
1.5 mA | 3.3 V | VQFN-40 |
| MCP8022-5015H/NHXVAO | ![]() |
1.5 mA | 5 V | VQFN-40 |

