Microchip Technology MCP19215 Dual-Aufwärts-/SEPIC-Evaluierungsboard
Das Microchip Technology MCP19215 Dual-Aufwärts-/SEPIC-Evaluierungsboard ist ein Zweikanal-Controller-Board, das die MCP19215 PWM-Controller evaluiert. Dieses Evaluierungsboard demonstriert die Funktion des MCP19215 während Aufwärts- und SEPIC-Topologien über einen großen Last- und Eingangsspannungsbereich. Fast die gesamte Programmierung der Betriebs- und Steuersystemparameter kann über den On-Board-PIC-Controller verwaltet werden. Das MCP19215 Board verfügt über eine Schaltfrequenz von 300 kHz, einen Statusbericht über die I2C-Kommunikation und einen Eingangsspannungsbereich von 8 V bis 15 V. Dieses Evaluierungsboard verfügt über eine Standardausgangsspannung von 20 V für beide Kanäle und einen Standardausgangsstrom von 0,2 A. Das MCP19215 Board-Kit enthält ein USB-A-zu-Mini-USB-Typ-B-Kabel.The Microchip Technology MCP19215 Evaluation Board (ADM00799) demonstrates the function of the MCP19215 during Boost and SEPIC topologies over a wide load range and input voltage. Almost all programming of the operational and control system parameters can be managed through the onboard PIC controller. The MCP19215 Evaluation Board features a 300kHz switching frequency, a status report via I2C communication, and an 8V to 15V input voltage range. This Evaluation Board comes with a default output voltage of 20V for both channels and a default output current of 0.2A. The MCP19215 Evaluation Board includes a USB A to mini-USB type B cable.
Merkmale
- Eingangsspannungsbereich von 8 V bis 5 V
- 20 V Ausgangsspannung für beide Kanäle
- 1 A Ausgangsstrom (max.)
- Schaltfrequenz von 300 kHz
- Leistungsstarke On-Board-Leistungs-MOSFET-Transistoren
- Überstrom- und Überspannungsschutz
- Statusbericht über I2C-Kommunikation
- Unterspannungssperre (UVLO) mit programmierbaren Schwellwerten (über Software)
Board Layout
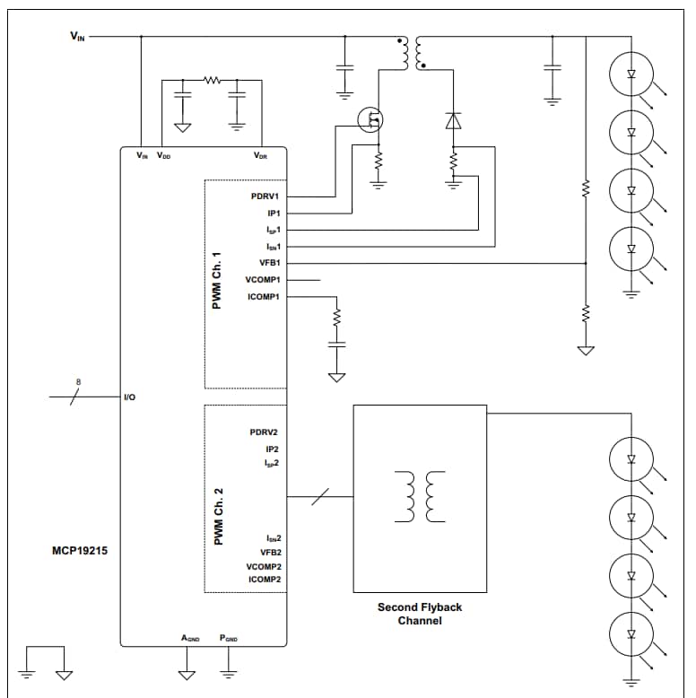
MCP19215 Board - Typische Applikations-Schaltung
Veröffentlichungsdatum: 2017-06-09
| Aktualisiert: 2022-03-11
