Microchip Technology MCP1912x PWM-Controller
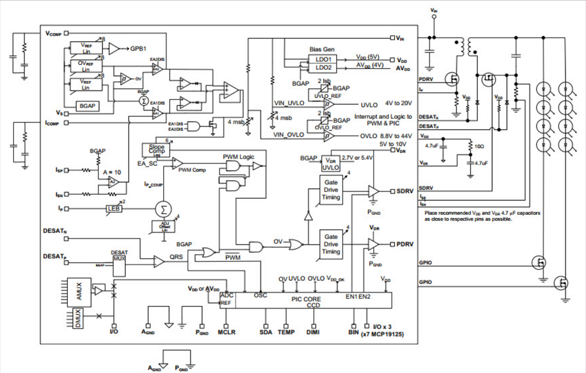
Microchip MCP1912x PWM-Controller sind hochintegrierte Mischsignal-Low-Side-Controller, die mit 4,5 V bis 42 V arbeiten. Diese Controller ermöglichen die Entwicklung flexibler Netzteile, die mit wenigen externen Bauteilen perfekt auf die Zielapplikation konfiguriert werden können. Durch die Nutzung der einzigartigen Regelkreis-Architektur liefern die MCP1912x Controller reibungslose, dynamische Übergänge von Konstantstrom- zu Konstantspannungs-Betrieb. Diese Controller enthalten zwei unabhängige äußere Regelkreise, die mit separaten Rückkopplungs-Netzwerken und separaten Referenzen konfiguriert werden können. Die MCP1912x Controller eignen sich hervorragend für Batterie-Ladeapplikationen, LED-Beleuchtungssysteme und PWM-Controller mit Low-Side-Schalter.The Microchip Technology MCP19124 is available in 4mm x 4mm QFN-24 and 5mm x 5mm QFN-28 packages. The MCP19125 is packaged in a 5mm x 5mm QFN-24.
Merkmale
- Smooth, dynamic transitions from constant-current to constant-voltage operation using the unique control loop architecture
- Dynamically adjustable output current and output voltage over a wide operating range
- Wide 4.5V to 42.0V operating voltage range
- Analog peak-current mode Pulse-Width Modulation (PWM) control
- Integrated 8-Bit PIC® Microcontroller
- Significant configurability: adjustable output voltage, output current, MOSFET deadtime, leading-edge blanking time, thermal responses, slope compensation, over-current protection, over and under-voltage lockout levels
- I2C communication interface
- Available fixed frequency or quasi-resonant operation, adjustable 31kHz to 2MHz
- 13 GPIO
- Integrated synchronous low-side MOSFET drivers
- Integrated high voltage linear regulator, with external output
- Integrated temperatures sense diode
- Integrated 10-bit ADC
- Minimal external components needed
- Custom algorithm support
- Topologies supported include Boost, SEPIC, Flyback, and Cuk
- Package options
- MCP19124: QFN-24, QFN-28
- MCP19125: QFN-24.
Applikationen
- Battery chargers
- LED lighting systems
- Low-side switch PWM controllers
MCP1912x PWM-Controller - Blockdiagramm
Veröffentlichungsdatum: 2017-11-21
| Aktualisiert: 2022-04-05
