Microchip Technology MCP19116/MCP19117 Analoger Stromregler
Microchip MCP19116/MCP19117 Analoge Stromregler sind analog-basierte PWM-Controller für den mittleren Spannungsbereich (4,5 bis 42 V) mit einem integrierten 8-Bit-PIC™-Mikrocontroller. Diese einzigartige Produktfamilie kombiniert die Leistung einer Hochgeschwindigkeits-Analoglösung, einschließlich hohem Wirkungsgrad und schnellem Einschwingverhalten, mit der Konfigurierbarkeit und der Kommunikationsschnittstelle einer digitalen Lösung. Kombiniert man diese Lösungstypen bekommt man eine neue Familie von Bauteilen, welche die Stärken der einzelnen Technologien maximiert, um eine kostengünstige, konfigurierbare, leistungsstarke Leistungsumwandlungslösung zu schaffen. Diese Produkte ermöglichen die Entwicklung flexibler Netzteile, die mit einer geringen Anzahl externer Komponenten perfekt zur Zielapplikation konfiguriert werden können. Darüber hinaus können diese Bauteile so programmiert werden, dass sie auf Messungen oder Ereignisse innerhalb des Systems reagieren. Dies geschieht durch die dynamische Anpassung des Betriebs auf die Umgebungsbedingungen oder durch eine intelligente Reaktion auf Fehler für einen robusten Betrieb.Der MCP19116/MCP19117 ist dem MCP19114 und MCP19115 ähnlich und enthält zusätzliche Kalibrierungsfunktionen für eine verbesserte Genauigkeit und Messung. Zusätzlich verfügen sie über einen größeren Flash-Speicher für das Speichern eines weiteren Codes innerhalb des Bauteils. Der MCP19117 ist funktional mit unserem MCP19116 vergleichbar, der MCP19117 verfügt jedoch über zusätzliche GPIOs und eine Debug-Schnittstelle. Die MCP19116/MCP19117 Hardware- und Software-Development Tools bieten eine praktische und leistungsstarke Entwicklungsplattform, mit der das Aufwärts- und Abwärts-/Aufwärts-Stromversorgungs-Design entwickelt und evaluiert werden kann.
Merkmale
- Stromregelungsgenauigkeit mit weniger als 5 % Abweichung über Temperatur, einschließlich aller Leitungs-, Last- und Systemabweichungen
- Dynamisch einstellbarer Ausgangsstrom über einen großen Betriebsbereich.
- Großer Betriebsspannungsbereich: 4,5 bis 42 V
- Analoge Spitzenstrommodus-Pulsweitenmodulationssteuerung (PWM)
- Integrierter 8-Bit-PIC®-Mikrocontroller
- Umfassende Konfigurierbarkeit: Einstellung von Ausgangsspannung, Ausgangsstrom, MOSFET-Totzeit, Anstiegsflanken-Ausblendzeit, thermische Reaktionen, Neigungsausgleich, Überstromschutz, Über- und Unterspannungssperrpegel
- Verfügbarer Festfrequenz- oder Quasi-Resonanzmodus-Betrieb, auf 31 KHz bis 2 MHz einstellbar
- I2C-Kommunikationsschnittstelle
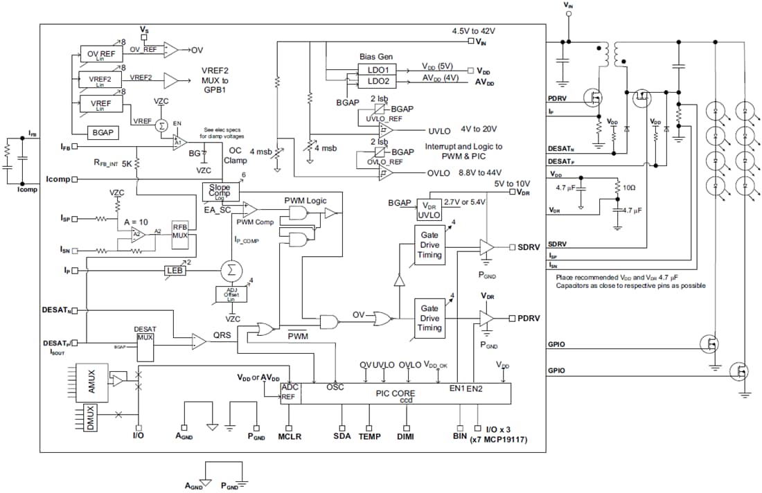
Blockdiagramm
Veröffentlichungsdatum: 2019-07-31
| Aktualisiert: 2023-06-05
