Microchip Technology HV53001 16-Kanal-Push-Pull-Treiber

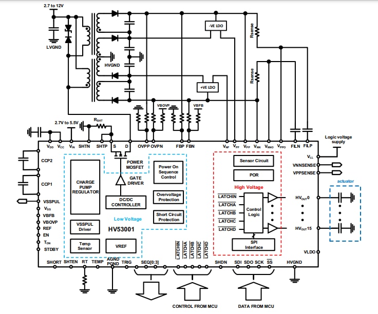
Die 16-Kanal-Push-Pull-Treiber HV53001 von Microchip Technology bieten eine integrierte Treiberlösung für verschiedene Anwendungen, bestehend aus drei Hauptfunktionsblöcken, einem Hochspannungstreiber, einer SPI-Schnittstelle und einem DC/DC-Boost-Controller mit Leistungs-MOSFET.

Der HV53001 verfügt über 16 Push-Pull-Treiber, die einen Ausgangshub von ±135 V mit der Return-To-Zero (RTZ)-Funktion ermöglichen, und jeder Treiber ist für mindestens 24 mA Quell- und Senkenstrom ausgelegt. Jeder Hochspannungsausgang kann eine kapazitive Last von bis zu 250 pF ansteuern. Darüberhinaus ist eine globale Stromsensorfunktion im HV53011 zur Überwachung des Lade- und Entladestroms integriert. Der gemessene Strom wird über einen Strommesswiderstand einem Nieder Spannungs-Analogausgang mit einem Skalierungsfaktor von 3,1 V/V zugeordnet.

Die 16-Kanal-Push-Pull-Treiber HV53001 von Microchip verwenden eine SPI-Schnittstelle zur Kommunikation zwischen dem Host-Prozessor und den Hochspannungstreibern. Die Schnittstelle liefert 3,3-V-Logik-E/A-Signale mit einer Taktrate von bis zu 32 MHz. Fünf digitale VERRIEGELUNGS-Steuersignale steuern den Datenfluss und das Zündmuster, während der Ausgang in einen von vier möglichen Zuständen versetzt wird: VPP, VNN, 0 V oder hohe Impedanz.

Der HV53001 enthält einen integrierten DC/DC-Controller mit Leistungs-MOSFET. Für den Hochspannungstreiberblock wird der Controller in eine Flyback-Konfiguration versetzt, um vier Hochspannungsschienen, ±135 V und ±123 V, für den Hochspannungstreiberblock zu erzeugen. Die ±123-V-Schienen werden aus zwei erdfreien 12-V-Versorgungen erzeugt, die auf die ±135-V-Versorgungsschienen bezogen sind. Der Wandler verarbeitet eine Eingangsspannung von 2,7 V bis 5,5 V Eingangsspannungsschiene. Eine eingebaute positive Ladungspumpe und eine einfache externe negative Ladungspumpe wandeln die Eingangsversorgung in +6,5 V und -6,0 V um, um den Hochspannungstreiberblock zu versorgen.

Der HV53001 verfügt über eine präzise Ein- und Ausschaltsequenz mit einem Schaltkreis zur Steuerung der Leistungssequenz, mit dem der Benutzer die Stromversorgungen zum Ein- und Ausschalten des Hochspannungstreibers steuern kann. Das Bauteil wird in Verbindung mit den externen Hochspannungs-FET-Transistoren verwendet.

Der HV53001 verfügt über zahlreiche Sicherheitsfunktionen, darunter Überspannungsschutz, Kurzschlussschutz und Übertemperaturüberwachung.

Der HV53001 ist in einem 9 mm x 9 mm großen 105-Ball-TFBGA-Gehäuse untergebracht. Alle Hochspannungs-E/As sind so angeordnet, dass ein ausreichender Sicherheitsabstand besteht.

Merkmale

  • 16-Kanal Push-Pull-Ausgang
  • Return-To-Zero (RTZ)- und High-Impedance (Hi-Z)-Funktion
  • Bis zu ±135 V Ausgangsspannung
  • 24 mA minimaler Quell-Senken-Ausgangsstrom
  • 250 pF maximale Ausgangslast
  • Ausgang des Stromsensors
  • SPI-Schnittstelle mit vierfach-verriegelter 2-Bit-Architektur pro Kanal
  • Einschalt-Reset-Funktion
  • DC/DC-Aufwärtswandler mit Leistungs-MOSFET
  • Eingangsspannung des Wandlers: 2,7 V bis 5,5 V
  • Kurzschluss-Sicherung
  • Übertemperaturüberwachung
  • Steuerung der Ein- und Ausschaltreihenfolge
  • Abschaltfunktion
  • 105-Ball-TFBGA-Gehäuse mit 9 mm x 9 mm

Applikationen

  • Haptische Anwendung auf der Oberfläche
  • MEMS-Treiber
  • Piezo-Treiber

Typische Applikationen – Diagramm

Applikations-Schaltungsdiagramm - Microchip Technology HV53001 16-Kanal-Push-Pull-Treiber

Blockdiagramm

Blockdiagramm - Microchip Technology HV53001 16-Kanal-Push-Pull-Treiber
Veröffentlichungsdatum: 2022-04-15 | Aktualisiert: 2022-04-25