Microchip Technology AT42QT1481 Kapazitiver Touch-Controller
Der Microchip Technology AT42QT1481 kapazitive Touch-Controller ist ein digitaler Burst-Modussensor, der speziell für QMatrix-Layout-Touch-Steuerungen ausgelegt ist. Der QMatrix-Sensoralgorithmus (Betriebskapazität) von Microchip ermöglicht Designern aufgrund dieses Matrix-Layouts das Anbringen einer größeren Anzahl Tasten als verfügbare Pins. Der AT42QT1481 ermöglicht eine große Auswahl von Key-Größen und -Formen, die in einem Einzel-Touch-Panel vermischt werden. Der AT42QT1481 ist für die Verwendung mit 48 Keys ausgelegt. Das Bauteil enthält alle Signalverarbeitungsfunktionen, die für die Bereitstellung einer stabilen Sensorlösung unter zahlreichen Änderungsbedigungen und Frequenzen erforderlich sind. Nur wenige externe Teile sind für den Betrieb erforderlich.Merkmale
- Anzahl der Keys: bis zu 48
- Technologie: Transversale Ladungsübertragungserkennung (QT™) mit Frequenzsprüngen
- Keyumriss-Abmessungen: 6 mm × 6 mm oder größer (abhängig von der Paneldicke); sehr unterschiedliche Größen und Formen möglich
- Key-Abstände, 8 mm oder größer, Mitte zu Mitte (abhängig von der Paneldicke)
- Elektroden-Design: Zweiteilige Elektrodenformen (Antrieb-Empfang); große Auswahl von möglichen Layouts
- Erforderliche Schichten: eine Schicht (mit Steckbrücken), zwei Schichten (keine Steckbrücken)
- Elektroden-Materialien: PCB, FPCB, Silber oder Kohlenstoff auf Folie, ITO auf Folie
- Panel-Materialien: Kunststoff, Glas, Verbundwerkstoffe, lackierte Oberflächen (Metallfarben mit geringer Partikeldichte möglich)
- Angrenzendes Metall: kompatibel mit geerdetem Metall direkt neben den Keys
- Paneldicke: bis zu 50 mm Glas, 20 mm Kunststoff (Key-abhängig)
- Key-Empfindlichkeit: individuell mit einfachen Befehlen über die serielle Schnittstelle einstellbar
- Signalverarbeitung: Selbst-Kalibrierung, Autodrift-Kompensation, Rauschfilterung, Adjacent Key Suppression®
- Erkennt und meldet Key-Ausfälle
- Schnittstellen:
- UART
- SPI-Slave (4 MHz maximale Taktfrequenz)
- STATUS-Anzeigepin
- Debugausgabe
- FMEA-konforme Designmerkmale
- IEC/EN/UL60730-konforme Designmerkmale
- UL-Zulassung
- VDE-Einhaltung
- Für die Verwendung in sicherheitskritischen Produkten der Klasse B und Klasse C
- Leistung: 4,75 V bis 5,25 V
- Gehäuse: 44-Pin-TQFP von 10 mm × 10 mm
- RoHS-konform
Applikationen
- Haushaltsgeräte
- Mensch-Maschine-Schnittstelle
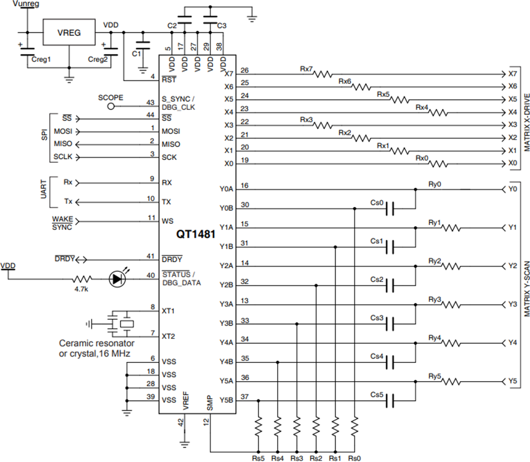
Applikations-Schaltung
Veröffentlichungsdatum: 2018-12-20
| Aktualisiert: 2023-01-10
