Microsemi / Microchip AgileSwitch® 2ASC-12A1HP SiC-Gate-Treiber-Core
Der AgileSwitch® 2ASC-12A1HP SiC-Gate-Treiber-Core (Siliziumkarbid, SiC) von Microsemi/Microchip ist Software-konfigurierbar und ermöglicht Entwicklern, die Gate-Treiber-Parameter passend für ihre Applikation zu konfigurieren, ohne sich Gedanken über eine Änderung der Hardware machen zu müssen. Der 1200 V Zweikanal-2ASC-12A1HP bietet bis zu 10 A Spitzenstrom bei einer Betriebsfrequenz von 100 kHz. Der Gate-Drive-Core mit hoher CMTI enthält einen isolierten DC/DC-Wandler und eine Isolationsbarriere mit niedriger Kapazität für PWM-Signale und Fehlerrückkopplung.Intelligentes Konfigurationstool
Das intelligente Konfigurationstool (IKT) von AgileSwitch ermöglicht Entwicklern die Feinabstimmung des Betriebsverhaltens von programmierbaren SiC-Gate-Treiber-Cores auf ihre spezifischen Systeme und Applikationen. Kleine Änderungen an den Augmented Switching™-Profilen können zu dramatischen Verbesserungen
bei Schalteffizienz, Überschwingen und Kurzschluss-Sicherung führen.
Merkmale
- UL-konformes 1.200-V-SiC-MOSFET-Modul
- Zweikanal
- Robustes Design mit hoher Rauschimmunität
- Isolierte Temperaturüberwachung, PWM
- Isolierte Hochspannungsüberwachung, PWM
- 2 x 3-W-Ausgangsleistung
- Spitzenstrom: bis zu 10 A
- 100 kHz Schaltfrequenz
- Bis zu 7 eindeutige Fehlerbedingungen
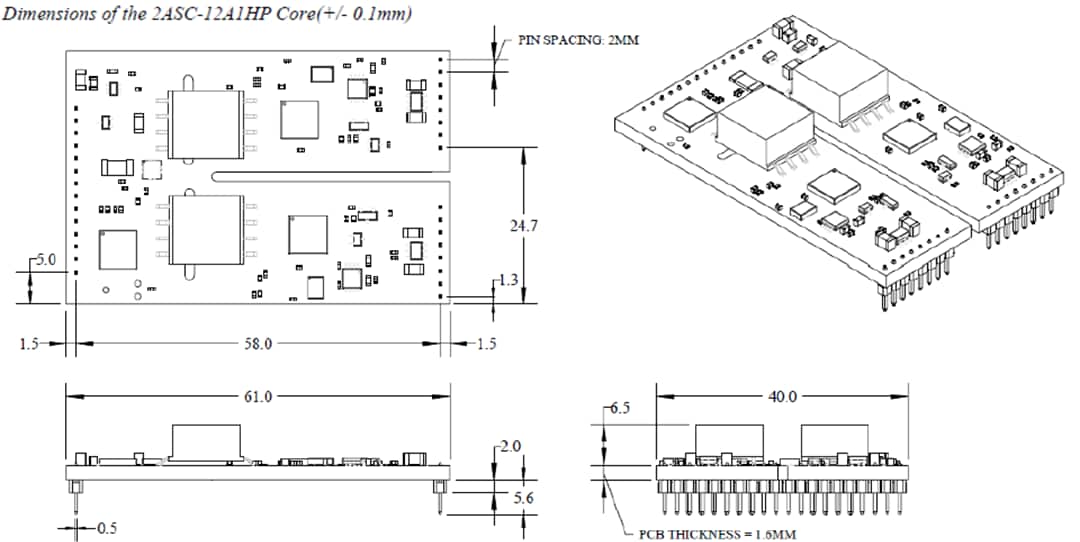
- Kompakter 40 mm x 61 mm Formfaktor
- RoHs-konform
- Software-programmierbar
- Augmented Turn-Off™ (ATOff)
- Gate-Spannungen: ±VGS
- VGS positiv von +15 V bis +21 V
- VGS negativ von -5 V bis 0 V
- Stromversorgungs-Unterspannungssperre (UVLO)
- Stromversorgungs-Überspannungssperre (OVLO)
- Entsättigungserkennungs-Einstellungen
- Totzeit
- Störabschaltungseinstellungen
- Automatische Reset-Einstellungen
Applikationen
- Schwere Nutzfahrzeuge
- Induktionserhitzer
- Hilfsnetzgeräte
- Batteriespeicher
- Wechselrichter
- Kabelloses Laden
Videos
Weitere Ressourcen
Blockdiagramm
Technische Zeichnung
Veröffentlichungsdatum: 2020-04-23
| Aktualisiert: 2024-07-24
