MEAN WELL XTR Extrem schmale Industrie-DIN-Schienennetzteile
Mean Well XTR Extrem schmale Industrie-DIN-Schienen-Netzteile sind dreiphasige, kompakte und leistungsstarke Netzteile mit integriertem DC-OK-Relaiskontakt. Diese Netzteile bieten einen maximalen Wirkungsgrad von 93 % und einen Konstantstrom mit bis zu 150 % Spitzenleistung. Die XTR Netzteile zeichnen sich durch eine Leerlaufleistungsdissipation von <2,5 w,="" einen="" extrem="" niedrigen="" einschaltstrom="" von="">2,5><10 a,="" ein="" lüfterloses="" design="" und="" ein="" schmales="" gehäuse="" von="" 48="" mm="" aus.="" diese="" netzteile="" sind="" in="" den="" ausführungen="" 240="" w="" 480="" w="" und="" 960="" w="" mit="" drei="" anschlussoptionen="" erhältlich.="" die="" xtr="" stromversorgung="" bieten="" schutz="" vor="" kurzschluss,="" überlastung,="" überspannung="" und="" übertemperatur.="" diese="" stromversorgung="" werden="" in="" applikationen="" wie="" fabrikautomatisierung,="" industriellen="" steuerungssystemen,="" halbleiterfertigungsanlagen="" und="" elektromechanischen="" geräten="" eingesetzt.="">10>Merkmale
- <2,5 w="">2,5>
- Großer 3-phasiger Eingangsspannungsbereich von 320 VAC bis 600 VAC, einen Überspannungseingang für 1 Sekunde von 600 VAC bis 700 VAC
- 48 mm Extrem schmale Breite
- Hoher Wirkungsgrad von bis zu 93 %
- 150 % Spitzenleistungsfähigkeit
- Eingebaute Konstantstrombegrenzungsschaltung
- Lüfterloses Design
- Integrierter DC-OK-Relaiskontakt
- <10 a="" extrem="" niedriger="">10>
- Bis zu 5.000 m Betriebshöhe
- -40 °C bis 85 °C Betriebstemperaturbereich
- Überspannungs-, Übertemperatur-, Überlast- und Kurzschlussschutz
- Globale Zertifikate in mehreren Feldern (ITE 62368-1, Industrie 61558-1/-2-16, 61010) und Marine-DNV, SEMI47 und C1D2 Gefahrgut zugelassen
Applikationen
- Fabrikautomatisierung
- Industrielle Steuerungssysteme
- Halbleiter-Fertigungsanlagen
- Elektromechanische Geräte
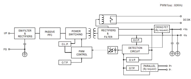
Blockdiagramm
Videos
Veröffentlichungsdatum: 2025-05-01
| Aktualisiert: 2025-10-09
