MEAN WELL GD2 IGBT-DC/DC-Wandler
Mean Well GD2 IGBT-DC/DC-Wandler sind in einem kompakten SIP7-Gehäuse mit internationaler Standard-Pinbelegung erhältlich und arbeiten in einem Temperaturbereich von -40 °C bis +90 °C. Diese Wandler sind isolierte und ungeregelte 2-W-Modultypen, die einen hohen Wirkungsgrad von bis zu 82 %, eine hohe I/O-Nennisolierung von 4,3 KVAC oder 6,2 KVDCund eine ununterbrochene Kurzschluss-Sicherung bieten. GD2 Wandler berücksichtigen verschiedene Eingangsspannungen von 12 V/15 V/24 V ±10 % sowie unterschiedliche positive und negative Ausgangsspannungen. Die GD2 IGBT-DC/DC-Wandler von Mean Well eignen sich für drahtlose Netzwerke, Industrieroboter, Motorantriebe, Solarwechselrichter, Induktionserwärmung und Datenkommunikationssysteme.
Merkmale
- SIP7-Gehäuse mit internationaler standard-Pinbelegung
- Optimierte Leistung für IGBT/SiC
- Bipolarer asymmetrischer ungeregelter Ausgang
- Niedrige Kopplungsisolationskapazität (Cio)
- Ständiger Kurzschlussschutz
Applikationen
- Server-Telekommunikations-/Datenkommunikationssysteme
- Drahtloses Netzwerk
- Industrielle Steuerungseinrichtungen
- Industrie-Robotik
- Motortreiber
- Solar-Wechselrichter
- Induktionserwärmung
Technische Daten
- Hohe I/O-Isolierung: 4,3 KVAC oder 6,2 KVDC
- Maximale Anlaufzeit von 100 ms
- 2 W Nennstrom
- Welligkeits- und Rauschwerte: 50 mVp-p
- Isolierkapazität: 5 pF
- ±5 % Lastregelung
- -40 °C bis +90 °C Betriebstemperaturbereich
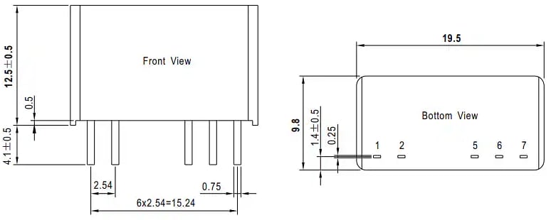
- Abmessungen: 19,5 mmm x 9,8 mm x 12,5 mmm
Abmessungen
EMV-Vorschlag
Weitere Ressourcen
Veröffentlichungsdatum: 2024-10-08
| Aktualisiert: 2024-11-07
