MEAN WELL DLC-02 DALI-Controller/Gateways
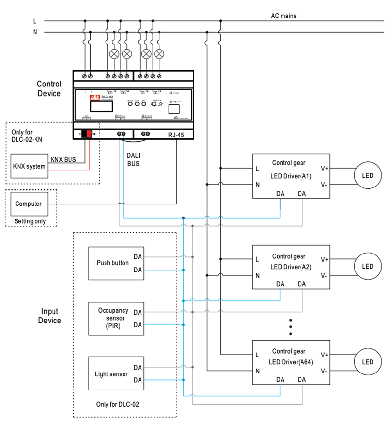
MEAN WELL DLC-02 DALI-Controller/Gateways sind Multi-Master-Applikationscontroller, die DALI-2-Systeminformationen vom DALI-Eingangsgerät erhalten und die DALI-ECGs steuern, um Lichteffekte zu erzeugen. Bauteile im DALI-Bus können über die PC-Software gescannt, konfiguriert und eingestellt werden, was eine einfache Installation von DALI-Beleuchtungssystemen ermöglicht. Die DLC-02-Bauteile übernehmen die Klasse II mit einem isolierten Kunststoffgehäuse und einem DIN-Schienen-Montagedesign (144 mm in der Breite), das für eine einfache Integration in andere Gebäudeautomatisierungsprodukte schnell im Verteilerkasten installiert werden kann. Darüber hinaus ist die Baureihe mit der neuesten DALI-2-Controllerregulierung konform und bietet einen DALI-Bus-Ausgang mit zwei Kanälen.Die Funktionen umfassen ein integriertes DALI-Netzteil, das maximal 250 mA bietet, wodurch jeder Kanal mit maximal 64 Leuchten und 12 Wandschaltern oder Sensoren verbunden werden kann. Eine integrierte DALI-2 Relais-Steuerungsfunktion ermöglicht die Steuerung von elektrischen Geräten oder Vorhangmotoren. Ein Installateur arrangiert die Planung zur automatischen Verwaltung der Leuchten, wodurch der Abschluss über eine integrierte Timer-Funktion ermöglicht wird. Darüber hinaus kann der Installateur Lichtszenen und eine Gruppierungssteuerung einrichten.
Das DLC-02-KN Bauelement ist ein KNX-zu-DALI-Gateway und kann verwendet werden, um ein digitales DALI-Beleuchtungssystem mit KNX-Installationen zu verbinden. Dieses Bauteil wandelt Schalter- und Verdunkelungsbefehle vom angeschlossenen KNX-System in DALI-Telegramme und Statusinformationen vom DALI-Bus in KNX-Telegramme um.
Merkmale
- DALI-2 Multi-Master-Applikationscontroller
- Zwei unabhängige DALI-Buskanäle mit integrierter DALI-Stromversorgung (bis zu 250 mA pro Bus)
- Verbinden bis zu 2 x 64 DALI-ECGs/Treiber und bis zu 2 x 12 DALI-Eingabegeräte
- Maximal 16 Szenen- und Gruppeneinstellungen pro Kanal
- LCD-Display und LED-Anzeigen/-Tasten für lokalen Betrieb
- Integriertes 250 V/5 A x 4 Relais
- Einfache Installation und Konfiguration über PC-Software oder Webbrowser
- Mehrere Steuereffekte basierend auf dem Zeitereignis und den Eingabegeräten
- Unterstützung für DALI-2-Bauteile (207/208/301/302/303/304 Teile)
- 5 Jahre Garantie
Applikationen
- Bürobeleuchtung
- Smart-Home-Beleuchtung
- Beleuchtung von Luxusvillen
- LED-Innenbeleuchtung
- Gebäudeautomatisierungssysteme
Technische Daten
- Ausgang
- Integriertes DALI-Bus-Netzteil mit einem Bereich von 2 x 16 V
- 2 x Maximaler Versorgungsstrom von 250 mA, 2 x 240 mA garantiert
- Leistung: 7,68 W
- Einrichtungszeit von 250 ms bei 115 VAC
- Anstiegszeit von 50 ms bei 230 VAC
- Funktionen
- 1 x USB-Slave-Anschluss, Typ-B
- OLED-Anzeige
- Anzeigen
- 2 x LED-Anzeigen für BUS-Spannung
- 4 x LED-Anzeigen für Relais
- 1 x LED-Anzeige für das Einschalten
- Allgemeine 3-Tasten-Einstellungen (MOVE, SET und ESC) auf der Vorderseite zur Einstellung und Anzeige der Einstellungen
- Ethernet-Steuerung über einen Webbrowser
- Relais
- 10 A bei 125 VAC
- 5 A bei 250 VAC
- Eingang
- DC-Bereich: 100 VAC bis 305 VAC/140 VDC bis 430 VDC
- Frequenzbereich: 47 Hz bis 63 Hz
- Typischer Einschaltstrom: 45 A bei 230 VAC, Kaltstart
- AC-Strom
- 0,25 A bei 230 VAC
- 0,5 A bei 115 VAC
- Kurzschluss-Sicherung
- Umgebungsdaten
- Temperaturbereiche
- Betriebstemperatur: -25 °C bis +45 °C
- Lagertemperatur: -25 °C bis +70 °C
- Relative Feuchtigkeit, nicht kondensierend
- Betriebsfeuchtigkeit: 5 % bis 93 %
- Lagerfeuchtigkeit: 10 % bis 95 %
- Temperaturbereiche
- Abmessungen: 144 mm x 90 mm x 58,3 mm (LxBxH)
Blockdiagramm
Installationsdiagramm
