MaxLinear XR33202 Wide Supply RS-485/RS-422 Transceivers

MaxLinear XR33202 Wide Supply RS-485/RS-422 Transceivers are designed to meet the increasing system requirements in portable/handheld, process control, and industrial equipment environments. XR33202 transceivers feature a low shutdown current of 3µA, a wide 3.0V to 5.5V operation supply voltage range, and a 1.65V to 5.5V I/O logic interface VL pin. These transceivers offer complete fail-safe circuitry, guaranteeing a logic-high receiver output when the receiver inputs are open, shorted, or undriven. The half-duplex devices operate at maximum data rates of 20Mbps and are available in 10-pin DFN packages.

Features

  • Wide 3.0V to 5.5V supply operation
  • 1.65V to 5.5V I/O logic interface VL pin
  • 20Mbps maximum data rate
  • 1/8 unit load, up to 256 receivers
  • Robust ESD (Electrostatic Discharge) protection for RS-485 bus pins
    • ±15kV human body model
    • ±15kV IEC61000-4-2 air discharge
    • ±8kV IEC61000-4-2 contact discharge
  • Hot-swap glitch protection on DE and RE Pins
  • Enhanced receiver fail-safe protection for open, shorted, or terminated but idle data lines
  • Driver short circuit limit and thermal shutdown for overload protection
  • -40°C to +125°C ambient operating temperature range
  • Lead-free (RoHS 6) DFN

Applications

  • Portable and handheld equipment
  • Industrial and process control equipment
  • Point-of-sale (POS) equipment
  • Building security and automation

Typical Application

Application Circuit Diagram - MaxLinear XR33202 Wide Supply RS-485/RS-422 Transceivers

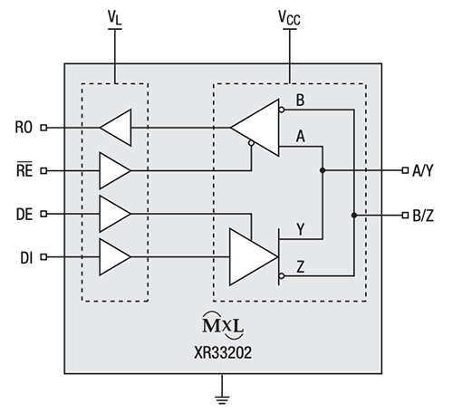
Block Diagram

Block Diagram - MaxLinear XR33202 Wide Supply RS-485/RS-422 Transceivers
Veröffentlichungsdatum: 2016-03-29 | Aktualisiert: 2022-03-11