Marktech Optoelectronics High-Speed InGaAs PIN Photodiode Photodetectors
Marktech Optoelectronics High-Speed InGaAs PIN Photodiode Photodetectors are a high-sensitivity and high-reliability product series. The Marktech Photodetectors are ideal for optical communication devices. Custom packaging options for this die are also available.Features
- High-speed response
- TO-46 metal can provide a dome package
- Active area of 1.0mm Ф / high sensitivity
- Spectral range 600nm - 2600nm
Applications
- High-speed optical communications
- Industrial controls
- Security
- LIDAR
- Medical
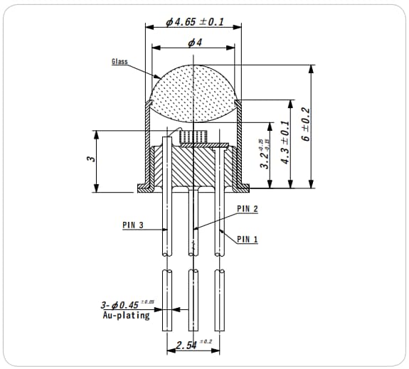
Package Dimensions
View Results ( 2 ) Page
| Teilnummer | Datenblatt | Beschreibung |
|---|---|---|
| MTPD2601N-100 | ![]() |
Fotodioden InGaAs PIN PD 2600nm Dome Lens |
| MTPD2601T-100 | ![]() |
Fotodioden InGaAs PIN PD 2600nm Flat Lens |
Veröffentlichungsdatum: 2022-12-27
| Aktualisiert: 2022-12-29

