MACOM CMPA5259080S-AMP1 Testboard
Das Wolfspeed CMPA5259080S-AMP1 Testboard ist zur Evaluierung des CMPA5259080S 40-W-GaN-MMIC-Leistungsverstärkers konfiguriert. Der CMPA5259080S verfügt über eine Kleinsignalverstärkung von 29 dB, einen typischen PSAT von 110 W und einen Betrieb von bis zu 40 V. Das CMPA5259080S-AMP1 Evaluierungsboard von Wolfspeed enthält den CMPA5259080S Verstärker.Merkmale
- Leistungswirkungsgrad von >48 % (typisch)
- Kleinsignal-Gain: 29 dB
- PSAT: 110 W (typisch)
- Betrieb bis zu 40V
- Hohe Durchschlagspannung
- Hohe Betriebstemperatur
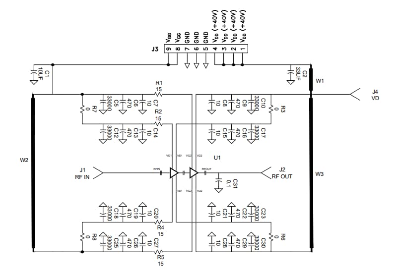
Demonstrationsverstärker – Schaltplan
Veröffentlichungsdatum: 2022-05-25
| Aktualisiert: 2024-01-18
