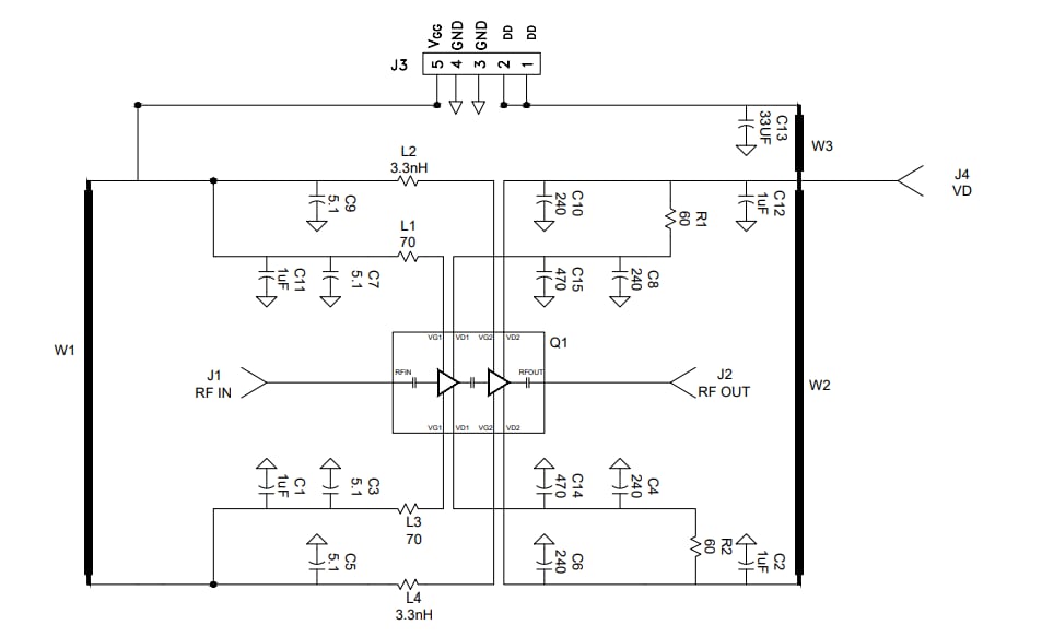
MACOM CMPA5259050S-AMP1 Testboard
Das Wolfspeed CMPA5259050S-AMP1 Evaluierungsboard ist für die schnelle und einfache Demonstration des CMPA5259050S Verstärkers ausgelegt. Der CMPA5259050S GaN-MMIC-Leistungsverstärker enthält einen zweistufigen reaktiv abgestimmten Verstärker-Designansatz, der eine hohe Leistung und einen leistungsverstärkenden Wirkungsgrad ermöglicht. Der Galliumnitrid(GaN)-High-Electron-Mobility-Transistor (HEMT), der auf dem monolithischen Mikrowellen-integrierten Schaltkreis (MMIC) basiert, verfügt über eine Kleinsignal-Gain von 27 dB, eine typische PSAT von 65 W und einen Betrieb von bis zu 28 V.Das CMPA5259050S-AMP1 Testboard von Wolfspeed enthält den CMPA5259050S Verstärker.
Merkmale
- Leistungswirkungsgrad von >50 % (typisch)
- Kleinsignal-Gain: 27 dB
- PSAT: 65 W (typisch)
- Betrieb bis zu 28 V
- Hohe Durchschlagspannung
- Hohe Betriebstemperatur
Demonstrationsverstärker – Schaltplan
Veröffentlichungsdatum: 2022-05-25
| Aktualisiert: 2024-01-18
