MACOM CMPA5259025SAMP1 Evaluation Board
MACOM CMPA5259025SAMP1 Evaluation Board is configured to evaluate the operation of the CMPA5259025S 40W GaN MMIC Power Amplifier. The CMPA5259025S MMIC utilizes a two-stage reactively matched amplifier design approach that enables wide bandwidths to be achieved in a small footprint while maintaining high gain and efficiency.The MACOM CMPA5259025SAMP1 Evaluation Board comes with the CMPA5259025S Amplifier installed.
Features
- >53% typical power-added efficiency
- 29dB small signal gain
- 40W typical PSAT
- Operation up to 28V
- High breakdown voltage
- High-temperature operation
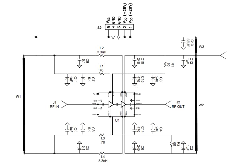
Application Circuit
Veröffentlichungsdatum: 2021-09-13
| Aktualisiert: 2024-01-17
