MACOM CMPA5259025F-AMP Demonstrations-Verstärkerschaltung

Die Wolfspeed/Cree CMPA5259025F-AMP Demonstrations-Verstärkerschaltung bietet ein Evaluierungsboard mit den CMPA5259025F GaN-MMICs, die in einem Keramik-/Metall-Flanschgehäuse untergebracht sind. Die CMPA5259025F GaN-MMICs sind für einen hohen Wirkungsgrad, eine hohe Gain und eine große Bandbreite ausgelegt. Die CMPA5259025F GaN-MMICs eignen sich hervorragend für Radar-Verstärkerapplikationen mit 5,2 bis 5,9 GHz. Die CMPA5259025F-AMP Demonstrations-Verstärkerschaltung verfügt über eine Betriebsspannung von 28 V und einen Frequenzbereich von 5,2 GHz bis 5,9 GHz.

Merkmale

  • Test board that integrates CMPA5259025F GaN MMICs
  • 28V operating voltage
  • 5.2GHz to 5.9GHz frequency range
  • Ceramic/metal flange package

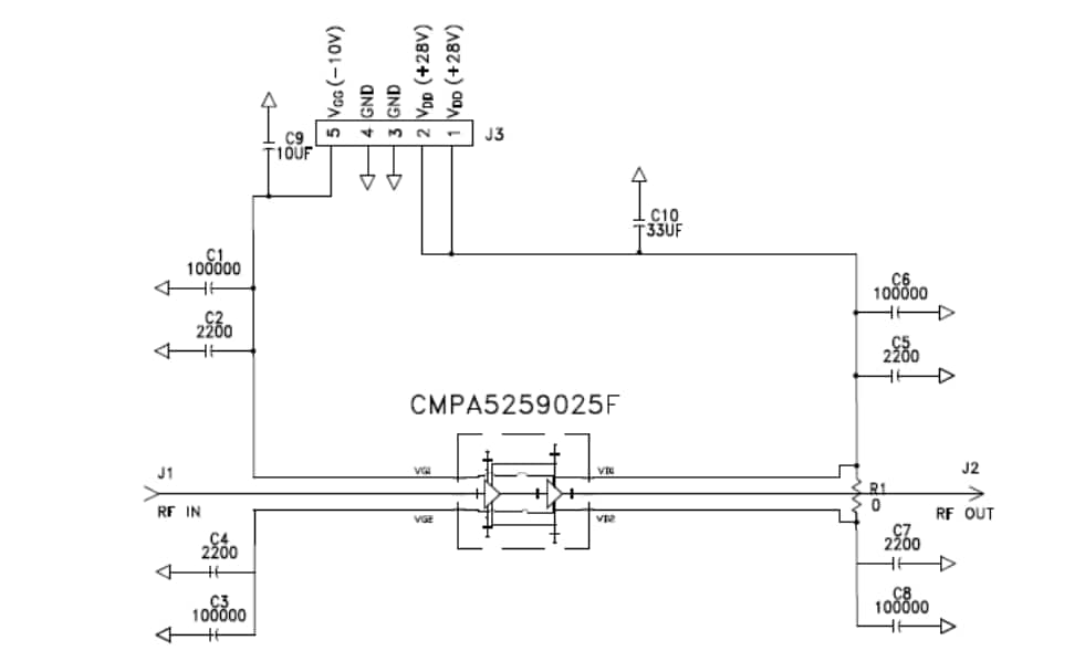
Schaltplan

Schaltplan - MACOM CMPA5259025F-AMP Demonstrations-Verstärkerschaltung
Veröffentlichungsdatum: 2019-05-07 | Aktualisiert: 2024-01-19