MACOM CGHV31500F1-AMP Evaluierungsboard

Das Wolfspeed CGHV31500F1-AMP Evaluierungsboard ermöglicht die Evaluierung des CGHV31500F1 2,7 GHz – 3,1 GHz, 500 W GaN HEMT. Der CGHV31500F1 HEMT liefert eine erweiterte Impulskapazität, um die sich entwickelnden Trends in Radararchitekturen zu erfüllen. Das CGHV31500F1 ist speziell für das S-Band-Radarband von 2,7 GHz bis 3,1 GHz ausgelegt.

Das Wolfspeed CGHV31500F1-AMP Evaluierungsboard wird mit eingebautem CGHV31500F1 HEMT geliefert.

Merkmale

  • 500 W Psat
  • >65% DE
  • 13 dB LSG

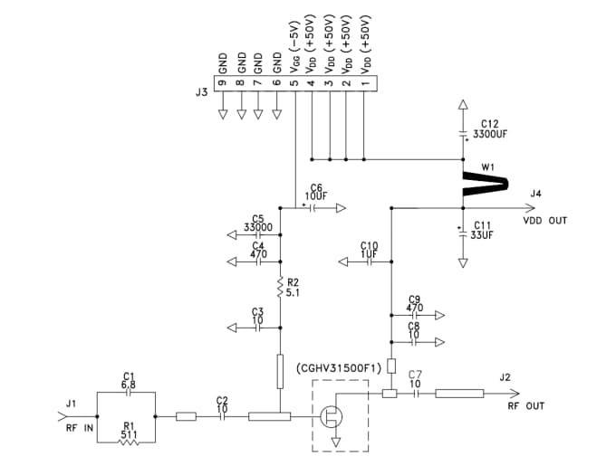
Schematische Zeichnung

Schaltplan - MACOM CGHV31500F1-AMP Evaluierungsboard
Veröffentlichungsdatum: 2021-11-15 | Aktualisiert: 2024-01-18