Littelfuse MTR Stromverteilungs-Sicherungshalter
Der Littelfuse MTR Stromverteiler-Sicherungshalter bietet einen maximalen Spannungsbereich von 32 VDC, eine IP67-Schutzart und einen Eingangsnennstrom bis zu 100 A. Dieser Halter nimmt zwei MINI® Sicherungen und zwei JCASE® Sicherungen auf. Die vier Sicherungen verfügen über einen internen Bus zu einem Haupteingangsbolzen, wodurch der Verdrahtungsaufwand reduziert werden kann, indem eine Eingangsverbindung zur Versorgung von vier Sicherungsschaltungen erstellt wird. Der MTR Stromverteilungs-Sicherungshalter von Littelfuse verfügt über eine Abdichtung und eignet sich daher für den Einsatz in Umgebungen mit hoher Belastung.Merkmale
- Kompakte Haltergehäuse
- Zwei JCASE® Patronensicherungen
- Zwei MINI® Klingensicherungen
- Vier Positionen
- Der abgedichtete Halter verhindert das Eindringen von Feuchtigkeit und Verschmutzung.
- Intern an einen einzigen Hauptstromanschluss angeschlossen – ein Eingang versorgt vier Sicherungsschaltungen
Technische Daten
- Nennspannung: 32 VDC
- IP67-Schutzart
- Maximaler Eingangsstrom: 100 A bei +23 °C
- Maximaler Eingangsstrom: 70 A bei +85 °C
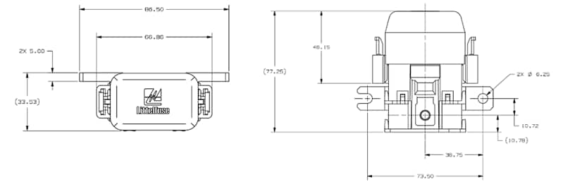
Abmessungen (mm)
Weitere Ressourcen
Veröffentlichungsdatum: 2020-04-13
| Aktualisiert: 2024-06-18
