Littelfuse LS1205ExD33 eFuse-Schutz-ICs
Die LS1205ExD33 eFuse-Schutz-ICs von Littelfuse verfügen über einen Eingangsspannungsbereich von 2,7 V bis 18 V, eine programmierbare Strombegrenzung und eine Ausgang-Spannungsklemme. Diese ICs verwenden nur wenige Externe Komponenten und bieten mehrere Schutz-Modi, einschließlich robuster Schutz gegen Überlast, Kurzschluss, Eingangsspannung-Stoß und übermäßige Einschaltstrom. Die LS1205ExD33 ICs schützen vor Eingang-Überspannungs-Ereignissen über interne Klemmen-Schaltung zu einer sicheren Ausgangsspannung. Die LS1205ExD33 eFuse-Schutz-ICs von Littelfuse eignen sich hervorragend für Netzwerke, PCs, Lüftersteuerung sowie HDD- und SSD-Laufwerke.Merkmale
- Extern wählbarer Eingangsbereich und Schwellenwert für die Klemmausgangsspannung (LS1205EV)
- Open-Drain-Fehleranzeige FAULT\ (LS1205EF)
- Ausgangsentladefunktion
- Extern programmierbare Soft-Start-Zeit
- Kurzschluss-Sicherung
- Freigabe-Steuerungspin
- Übertemperaturschutz
- Auto Recovery
- Integrierter Schutzschalter mit niedrigem RDS(ON) von 25 mΩ
Applikationen
- HDD- und SSD-Laufwerke
- Mit Adapter betriebene Geräte
- PC/Notebooks
- Lüftersteuerung
- Netzwerke
Technische Daten
- 2,7 V bis 18 V Eingangsspannungsbereich
- 1 A bis 5 A externe programmierbare Stromgrenze
- Sperrschichttemperaturbereich: -40 °C bis +125 °C
- 10-poliges DFN 3 mm x 3 mm Gehäuse
Videos
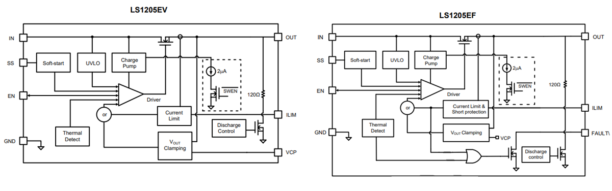
Funktionale Blockdiagramme
Veröffentlichungsdatum: 2022-07-18
| Aktualisiert: 2022-12-07
