Littelfuse LS0502SCD33 Superkondensator-Schutz-IC

Der Littelfuse LS0502SCD33 Superkondensator-Schutz-IC für Backup-Leistungsapplikationen ist eine Komplettlösung für Systeme mit einem Backup-Speicherkondensator oder einer Kondensatorbank. Der LS0502SCD33 Superkondensator-IC von Littelfuse enthält einen Eingangsüberspannungsschutz, eine Überstromschutzschaltung, einen Rückwärts-Sperrschalter und eine Superkondensator-Ladesteuerschaltung. Dieses Schutzbauteil für Backup-Leistung verfügt auch über einen eingebauten Zellenausgleich zum Schutz eines Zweizellen-Superkondensator-Systems. Wenn die Hauptversorgung vorhanden ist und über der minimalen Systemversorgungsspannung liegt, bezieht das System den Strom von der Eingangsversorgung. Ein integriertes lineares Ladegerät lädt das Speicherelement mit einem Strom bis zu 300 mA auf. Wenn das Speicherelement geladen ist, zieht die Schaltung nur 2,5 μA Strom, während der Superkondensator oder ein anderes Speicherelement in seinem Bereitschaftszustand gehalten wird. Wenn die Hauptversorgung entfernt wird, blockiert der integrierte Rückwärtssperrschalter den Stromfluss von der Systemschiene zum Eingang.

Das lineare Ladegerät wird eingeschaltet, um die Systemschiene mit einem niedrigen Widerstandspfad mit bis zu 2 A Strom zu versorgen. Der integrierte Zellenausgleichsschaltkreis überwacht die Zellenspannung beim Laden und hält die Spannung der beiden Zellen auf dem gleichen Niveau. Der Benutzer kann den LS0502SCD33 extern für die Eingangsstrombegrenzung, Eingangsüberspannung, Ladestrombegrenzung und Ladespannungsbegrenzung programmieren. Dieser Schutz-IC gibt ein Flag-Signal aus, wenn die Eingangsversorgung ausgesteckt ist, damit das Primärsystem übernehmen kann.

Merkmale

  • Systemspannung: 2,5 V bis 5,5 V
  • 18 V Eingangsnennspannung mit Überspannungsschutz
  • 1,1 V bis 5,3 V programmierbarer Kondensator-Spannungsbereich
  • Programmierbarer Superkondensator-Ladestrom
  • Programmierbarer Eingangs-Überstromschutz
  • Automatischer Zellenausgleich
  • Automatische Haupt-/Backup-Umschaltung
  • Bis zu 2 A Entladestrom
  • Programmierbare Spannungs- und Stromschwellenwerte
  • Schwellwertgenauigkeit: ±2 %
  • Ruhestrom in Bereitschaft: 2,5 μA
  • Kleine Lösungsgröße
  • DFN-Gehäuse

Applikationen

  • Handheld-Industriegeräte
  • Dash-Kameras
  • IoT
  • Zähler
  • Tragbare Geräte mit herausnehmbaren Batterien

Technische Daten

  • Maximale Verlustleistung: 2,3 W
  • Eingangsspannung: +4,0 V bis +5 V
  • Kapazitätsspannung: +0,8 V bis +5,4 V
  • -40 °C bis +85 °C Betriebstemperaturbereich
  • Sperrschichttemperaturbereich: -40 °C bis +125 °C

Videos

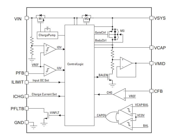
Blockdiagramm

Blockdiagramm - Littelfuse LS0502SCD33 Superkondensator-Schutz-IC

Typische Applikations-Schaltung

Applikations-Schaltungsdiagramm - Littelfuse LS0502SCD33 Superkondensator-Schutz-IC
Veröffentlichungsdatum: 2023-07-14 | Aktualisiert: 2024-10-15