Littelfuse Sicherungshalter der Baureihe 482

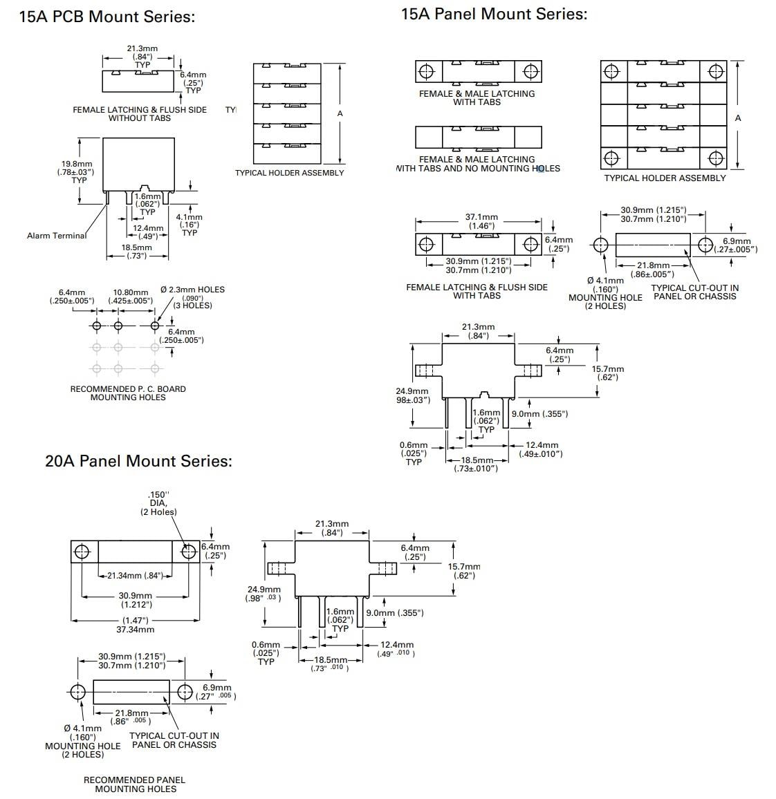
Die Sicherungshalter der Baureihe 482 von Littelfuse sind für die Verwendung mit Alarmanzeigesicherungen des Typs 481 vorgesehen. Diese Sicherungshalter für Spezialapplikation sind auch für Ersatzsicherungen anderer Hersteller geeignet. Die 482-Sicherungshalter sind in drei Versionen erhältlich, nämlich PCB-Montage-15-A, Panelmontage-20-A und Panelmontage-15-A. Diese Sicherungshalter sind ideal für den Einsatz in Telekommunikations- und Schalttafelschaltungen.

PCB-Montage-15-A: Diese Sicherungshalter können direkt auf eine Leiterplatte gelötet werden und sind für bis zu 15 A ausgelegt. Erhältlich in einpolig oder gruppierbar bis zu 20 Pole. Die Sicherungshalter sind kodiert, um das Einsetzen von 20-A-Sicherungen zu verhindern.


Panelmontage-20-A: Die 20-A-Sicherungshalter sind in einer einpoligen Version mit einer Nennspannung von bis zu 20 A mit großen Litzen zur Drahtbefestigung erhältlich.


Panelmontage-15-A: Die gruppierbaren 15-A-Versionen von Sicherungshaltern sind kodiert, um das Einsetzen von 20-A-Sicherungen zu verhindern.

Technische Daten

  • 15A PCB-Montage und Panelmontage:
    • Eingestuft bei 15 A bis zu 125 VAC/VDC
    • Thermoplastisches (UL 94V-0) Gehäusematerial 
    • Verzinnter Berylliumkupfer-Sicherungsklemmenwerkstoff
    • Material der Alarmklemmen aus verzinntem Messing 
    • Betriebstemperaturbereich: –55 °C bis +125 °C
    • Hält fünf Thermoschockzyklen von -55 °C bis 125 °C stand 
    • Gemäß MIL-STD-202 Schwingungen 
    • Isolationswiderstand von mehr als 10.000 Ω (nach dem Öffnen)
  • 20A Panelmontage:
    • Eingestuft bei 20 A bis zu 125 VAC/VDC
    • Thermoplastisches (UL 94V-0) Gehäusematerial 
    • Verzinnter Berylliumkupfer-Sicherungsklemmenwerkstoff 
    • Material der Alarmklemmen aus verzinntem Messing 
    • Betriebstemperaturbereich: -40 °C bis +85 °C
    • Hält fünf Thermoschockzyklen von -55 °C bis 125 °C stand 
    • Gemäß MIL-STD-202 Schwingungen 
    • Isolationswiderstand von mehr als 10.000 Ω (nach dem Öffnen)

Applikationen

  • Alarmanzeigende Sicherungen des Typs 481
  • Telekommunikation
  • Schaltkreise der Steuertafel

Abmessungen (mm)

Technische Zeichnung - Littelfuse Sicherungshalter der Baureihe 482
View Results ( 67 ) Page
Teilnummer Datenblatt Beschreibung Montageart Nennspannung Montage
04820010ZXBF 04820010ZXBF Datenblatt Sicherungshalter 10 Pole PCB Mount PCB Mount 125 VAC/DC PC Pin
04820004ZXB 04820004ZXB Datenblatt Sicherungshalter 4 Pole PCB Mount PCB Mount 125 VAC/DC PC Pin
04820010ZXBFH 04820010ZXBFH Datenblatt Sicherungshalter ACS ALARM HLDR PCB MT L/T 10 POLE PCB Mount 125 VAC/DC PC Pin
04820002ZXB 04820002ZXB Datenblatt Sicherungshalter 2 Pole PCB Mount PCB Mount 125 V Through Hole, Vertical
04822001ZXPF 04822001ZXPF Datenblatt Sicherungshalter 1 Pole Panel Mount Panel Mount 125 VAC/DC Wire Leads
04820001ZXB 04820001ZXB Datenblatt Sicherungshalter 1 Pole PCB Mount PCB Mount 125 VAC/DC PC Pin
04820001ZXPF 04820001ZXPF Datenblatt Sicherungshalter 1 Pole Panel Mount Panel Mount 125 V
04820004ZXBF 04820004ZXBF Datenblatt Sicherungshalter 4 Pole Flush PCB Mount PCB Mount 125 V Through Hole, Vertical
04822001ZXPFSH 04822001ZXPFSH Datenblatt Sicherungshalter 1 Pole Panel Mount Panel Mount 125 V Screw
04820002ZXBF 04820002ZXBF Datenblatt Sicherungshalter 2 Pole Flush PCB Mount PCB Mount 125 V Through Hole
Veröffentlichungsdatum: 2022-06-14 | Aktualisiert: 2022-06-30