LEM HAS Panel Mount Current Transducers
LEM HAS Panel Mount Current Transducers provide a reliable solution for electronic measurement of DC, AC, and pulsed currents while ensuring galvanic isolation between the primary and secondary circuits. Utilizing open-loop Hall effect technology, the compact LEM HAS sensors support a wide measurement range from 50A to 600A, making these transducers suitable for various industrial applications. The HAS series features a voltage output proportional to the measured current, with excellent linearity and low offset drift over temperature. With an instantaneous voltage output of ±4V and a bipolar power supply requirement of ±15V, HAS sensors deliver accurate and efficient current sensing. Additionally, an extended bandwidth of up to 50kHz enables precise monitoring of fast-changing current signals.Features
- Closed loop (compensated) current transducer
- Hall effect measuring principle
- Printed circuit panel mounting
- Easy mounting
- Low power consumption
- Space-saving, small size
- Only one design for a wide current ratings range
- High immunity to external interference
- Insulating plastic case made of polycarbonate PBT recognized according to UL 94V-0
- 5-year warranty
- RoHS compliant
Applications
- AC variable speed drives
- Static converters for DC motor drives
- Battery supplied applications
- Uninterruptible Power Supplies (UPS)
- Switched Mode Power Supplies (SMPS)
- Power supplies for welding applications
Specifications
- Electrical
- 50A to 600A primary nominal current range
- ±150A to ±900A primary current measuring range
- ±15V supply voltage (±5%)
- ±15mA current consumption
- >1000MΩ insulation resistance at 500VDC
- ±4V analog output voltage
- 100Ω output internal resistance
- >1kΩ load resistance
- Accuracy - dynamic performance data
- <±40mV electrical offset voltage range
- <±20mV hysteresis offset voltage range
- <±2mV/K temperature coefficient range of UOE
- <±0.1%/K temperature coefficient range of UOUT
- <3µs delay time to 90% of the final output value for IPN step
- DC to 50kHz frequency bandwidth (-3dB)
- Mechanical
- Insulation coordination
- 3.6kV RMS voltage for AC insulation test, 50Hz, 1 minute
- >6.6kV impulse withstand voltage, 1.2/50µs
- 7.08mm minimum creepage distance
- 6.23mm minimum clearance
- 275 comparative tracking index (group IIIa)
- -10°C to +80°C ambient operating temperature range
- Standards
- UL 508:2010
- EMC per IEC 61000-6-2:2016, IEC 61800-3:2017
- Safety per IEC 61010-1:2010
- Environmental per IEC 61477-1:2012, IEC 61800-2:2012
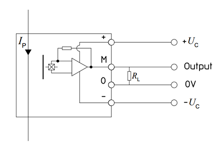
Connection
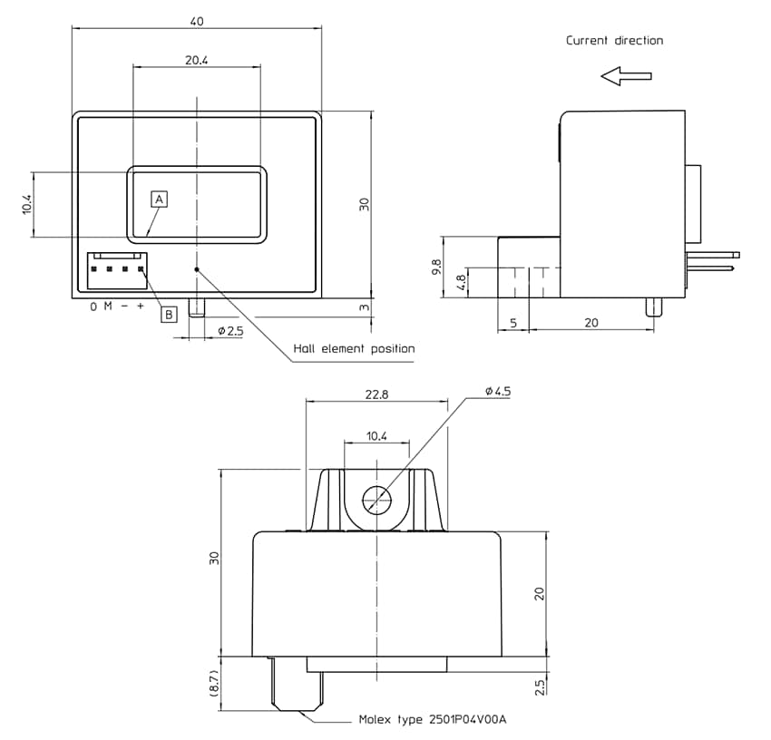
Dimensions (mm)
Veröffentlichungsdatum: 2025-07-21
| Aktualisiert: 2025-08-21
