Kingbright SA32 Einzifferige rechtwinklige Anzeigen
Die einzifferigen rechtwinkligen Anzeigen SA32 von Kingbright werden mit InGaN- und Galliumphosphid-Leuchtdioden hergestellt und sind in den Farben Grün und Blau erhältlich. Die Anzeigen SA32 bieten eine hervorragende Zeichenwiedergabe mit hoher Lichtleistung und lassen sich leicht auf PCBs oder Sockeln montieren. Diese LEDs sind mechanisch robust und verfügen über eine Ziffernhöhe von 8,1 mm, eine schwarze Vorderseite und ein weißes Segment. Die einstelligen Anzeigen SA32 entsprechen der RoHS-Richtlinie und arbeiten in einem Temperaturbereich von -40 °C bis 85 °C. Typische Anwendungsbereiche sind Haushalts- und Smart-Geräte, Zeitanzeigen und digitale Kombinationsanzeigen, Industrie- und Instrumentenausrüstung sowie numerische Statusanzeigen.Merkmale
- Ziffernhöhe: 8,1 mm
- Ausgezeichnete Charakterdarstellung
- Hohe Lichtleistung
- Einfache Montage auf dem PC-Board oder in Sockeln
- 5 V Sperrspannung
- Farben und Wellenlängen:
- Blau, 465 nm
- Grün, 525 nm und 568 nm
- Erhältlich in den Ausführungen Iv@10mA und 2mA mit niedrigem Stromverbrauch für energieeffiziente Designs
- Mechanisch robust
- Schwarze Vorderseite, weißes Segment und Dezimalstelle rechts, einfache Montage auf PCBs oder in Sockeln
- -40 °C bis 85 °C Betriebstemperaturbereich
- RoHS-konform
Applikationen
- Haushaltsgeräte und intelligente Geräte
- Uhrzeit und digitale Kombinationsanzeigen
- Industrieanwendungen und Messinstrumente
- Numerischer Status
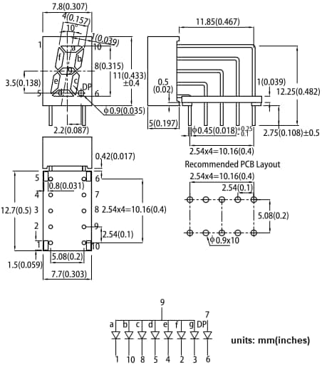
Maßbild
View Results ( 4 ) Page
| Teilnummer | If - Durchlassstrom | Beleuchtungsfarbe | Lichtstärke | Leistungsaufnahme | Vf - Durchlassspannung | Wellenlänge |
|---|---|---|---|---|---|---|
| SA32-61QBWB-2BCB | 10 mA | Blue | 13000 ucd | 120 mW | 3 V | 465 nm |
| SA32-61GWB-2BCB | 10 mA | Green | 12000 ucd | 62.5 mW | 2 V | 568 nm |
| SA32-61LZGKWB-2BCB | 2 mA | Green | 110000 ucd | 102.5 W | 2.65 V | 525 nm |
| SA32-61ZGKWB-2BCB | 10 mA | Green | 394000 ucd | 102.5 mW | 3 V | 525 nm |
Veröffentlichungsdatum: 2025-09-01
| Aktualisiert: 2025-10-05
