IXYS IX4340 MOSFET-Treiber
IXYS IX4340 MOSFET-Treiber sind duale Hochstrom- und Low-Side-Gate-Treiber mit zwei Ausgängen. Jeder der beiden Ausgänge bietet eine maximale Nennspannung von bis zu 20 V und ist in der Lage, einen Spitzenstrom von 5 A zu beziehen und zu senken. Die IX4340 Treiber verfügen über schnelle Laufzeitverzögerungen von 16 ns (typisch) und schnelle Anstiegs- und Abfallzeiten von 7 ns (typisch). Diese Treiber werden in einem Temperaturbereich von -40 °C bis 125 °C betrieben. Die IX4340 Treiber sind bestens für Hochstrom- und Hochfrequenz-Applikationen geeignet.Merkmale
- Die zwei unabhängigen Treiber sind jeweils in der Lage 5 A zu beziehen und zu senken
- CMOS- und TTL-kompatible Eingänge
- Unabhängige Freigabe für jeden Treiber
- Unterspannungssperre-Schaltung
- Versorgungsspannungsbereich von 5 V bis 20 V
- Erweiterter Betriebstemperaturbereich von -40 ºC bis +125 ºC
- Schnelle Laufzeitverzögerungen (16 ns typisch)
- Schnelle Anstiegs- und Abfallzeiten (7 ns typisch)
- ±4 kV ESD-Einstufung
Applikationen
- Schaltnetzteile
- DC/DC-Wandler
- Motorsteuerungen
- Wechselrichter
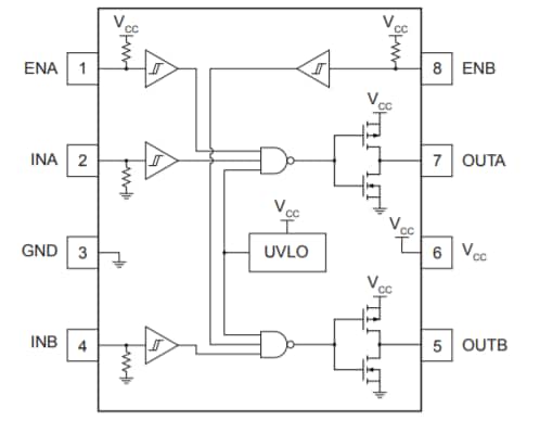
IX4340 Funktionales Blockdiagramm
Veröffentlichungsdatum: 2017-05-09
| Aktualisiert: 2022-03-28
