Infineon Technologies XDPS2221 PFC + Hybrid-Flyback-Combo-Controller
Der XDPS2221 PFC + Hybrid-Flyback-Combo-Controller von Infineon Technologies ist ein hochintegriertes Bauteil, das einen Multimodus-AC/DC-PFC-Controller und einen Multimodus-DC/DC-Hybrid-Flyback-Controller umfasst. Die Kombination von Hochleistungs-Multimodus-PFC und Hybrid-Flyback in einem einzigen Gehäuse reduziert die Anzahl der externen BOM-Komponenten und optimiert die Systemleistung durch die Harmonisierung des Betriebs der beiden Stufen. Der XDPS2221 Combo-Controller von Infineon ist in einem DSO-14(150-mil)-Gehäuse erhältlich.Merkmale
- Gemäß IEC62368-1 zertifizierte aktive X-cap-Entladefunktion
- Leistungsstarker Multimodus-PFC mit kritischem Leitfähigkeitsmodusbetrieb
- Multimodus-Hybrid-Flyback-Topologie mit hohem Wirkungsgrad und adaptiver Resonanzperiode
- DSO-14-Gehäuse (150 mil)
- Unterstützt den USB-PD-Standard V3.1 Extended Power Range (EPR) mit einer Ausgangsspannung von bis zu 28 V (36 V/48 V werden vom XDPS2222 abgedeckt)
- Hochintegrierter Combo-Controller für die PFC- und Hybrid-Flyback-Topologie, einschließlich einer 600-Volt-Startzelle mit X-Cap-Entladefunktion
Applikationen
- Adapter und Ladegeräte
- mit extrem hoher Leistungsdichte
- mit erweitertem Leistungsbereich (EPR)
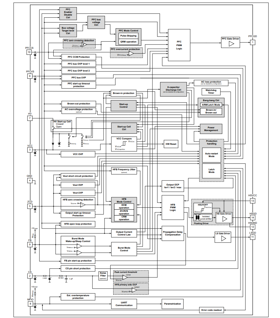
Blockdiagramm
Veröffentlichungsdatum: 2022-11-16
| Aktualisiert: 2022-11-30
