Infineon Technologies VCSEL-Laserdioden-Treiber-ICs
Die Laserdioden-Treiber-ICs VCSEL REAL3™ von Infineon sind kostengünstige ICs mit geringem Platzbedarf für Time-of-Flight (ToF) -Bildsensoren für schnell schaltende Laserdioden oder LEDs. Die Bauteile ermöglichen eine hocheffiziente Umwandlung von elektrischer Leistung in optische Leistung. Die Laserdioden-Treiber-ICs VCSEL von Infineon sind Teil der Sensor-Produktfamilie REAL3 iToF-Image. Die Bauteile können jedoch auch für LDS- (Laser Distance Sensoren) oder LiDAR-Systeme verwendet werden. AEC-Q100 Klasse 2 Version ist mit Unterstützung für hohe Modulationsfrequenzen für Applikationen verfügbar.Merkmale
- Verbraucherapplikationen
- Hohe Schaltgeschwindigkeit
- LVDS-Eingangsüberwachung
- Überhitzungsschutz
- Niedrige Versorgungsspannung
- Version für Fahrzeuganwendungen
- Laserstrom von bis zu 10 A
- Laserspannung von bis zu 14 V
- Anstiegs- und Abfallzeiten von <>
- Modulationsfrequenz von 130 MHz
Applikationen
- Verbraucherapplikationen:
- Indirekte Time-of-Flight-Kameras und -Systeme
- LDS-Systeme (Laser Distance Sensor)
- LiDAR-Systeme
- Mobile Bauteile
- Robotik
- Smarte Home-Kameras und Heim-Sicherheit
- Version für Fahrzeuganwendungen:
- Erkennung in der Kabine
- Gestensteuerung
- Erkennung und Klassifizierung von Insassen
- Treiber (DMS)
- Sichere Gesichtsauthentifizierung
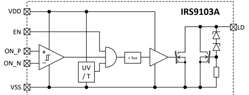
Blockdiagramm
Blockdiagramm der Fahrzeugversion
View Results ( 3 ) Page
| Teilnummer | Datenblatt | Beschreibung |
|---|---|---|
| IRS9102CXTSA1 | ![]() |
Laser-Treiber Laser Driver for VCSELs and LEDs |
| IRS9103AXTSA1 | ![]() |
Laser-Treiber REAL3 Laser diode driver for automotive |
| IRS9100CXTSA1 | ![]() |
Laser-Treiber 3DI |
Veröffentlichungsdatum: 2025-09-30
| Aktualisiert: 2025-10-15

