Infineon Technologies TLE9351SJ Hochgeschwindigkeits-CAN-Transceiver
Der Infineon Technologies TLE9351SJ Hochgeschwindigkeits-CAN-FD-Transceiver ist zum Schutz des Mikrocontrollers gegen Störungen ausgelegt, die im Netzwerk erzeugt werden. Basierend auf der hohen Symmetrie der CANH- und CANL-Ausgangssignale bietet dieser Transceiver eine sehr niedrige elektromagnetische Emission (EME) innerhalb eines großen Frequenzbereichs. Das Transceiver TLE9351SJ erfüllt die strengen Prüfgrenzwerte für die elektromagnetische Verträglichkeit (EMV) ohne zusätzliche externe Schaltung wie z. B. eine Gleichtaktdrossel. Dieser Transceiver zeichnet sich durch eine hervorragende ESD-Robustheit, einen Übertemperaturschutz und einen Standby-Modus mit reduziertem Ruhestrom aus. Dank der optimierten Sendersymmetrie in Kombination mit der optimierten Verzögerungssymmetrie des Empfängers kann der Transceiver TLE9351SJ CAN-FD-Datenframes unterstützen. Dieses Bauteil unterstützt je nach Größe des Netzwerks und der inhärenten parasitären Auswirkungen Datenübertragungsraten von bis zu 5 MBit/s. Der TLE9351SJ Transceiver eignet sich hervorragend für den Einsatz in Fahrzeuganwendungen und Industrieapplikationen.Merkmale
- Sehr niedriger CAN-BUS-Ableitstrom im ausgeschalteten Zustand
- Sehr niedrige elektromagnetische Emission (EME)
- Zertifiziert gemäß VeLIO-Prüfanforderungen (Vehicle LAN Interoperability and Optimization, VeLIO)
- Schleifenverzögerungssymmetrie für CAN-FD-Datenframes von bis zu 5 Mbit/s
- Bus-Aktivierungsmuster-Funktion (WUP) mit optimierter Filterzeit für die weltweite OEM-Nutzung
- Hervorragende ESD-Robustheit
- TxD-Time-Out-Funktion
- RoHs-konform
- Übertemperaturschutz
- Standby-Modus mit reduziertem Ruhestrom
Applikationen
- Motorsteuer-Einheiten (ECU)
- Gateway-Module
- Bordnetzsteuermodule (BSG)
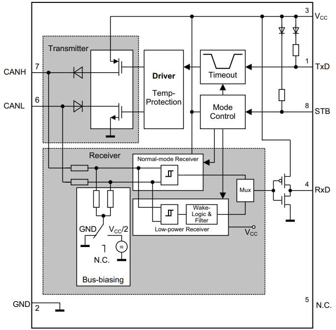
Blockdiagramm
Applikations-Schaltungsdiagramm
Veröffentlichungsdatum: 2021-09-21
| Aktualisiert: 2024-06-10
