Infineon Technologies Infineon Technologies TLE9201SG 6A H-Brücke mit SPI
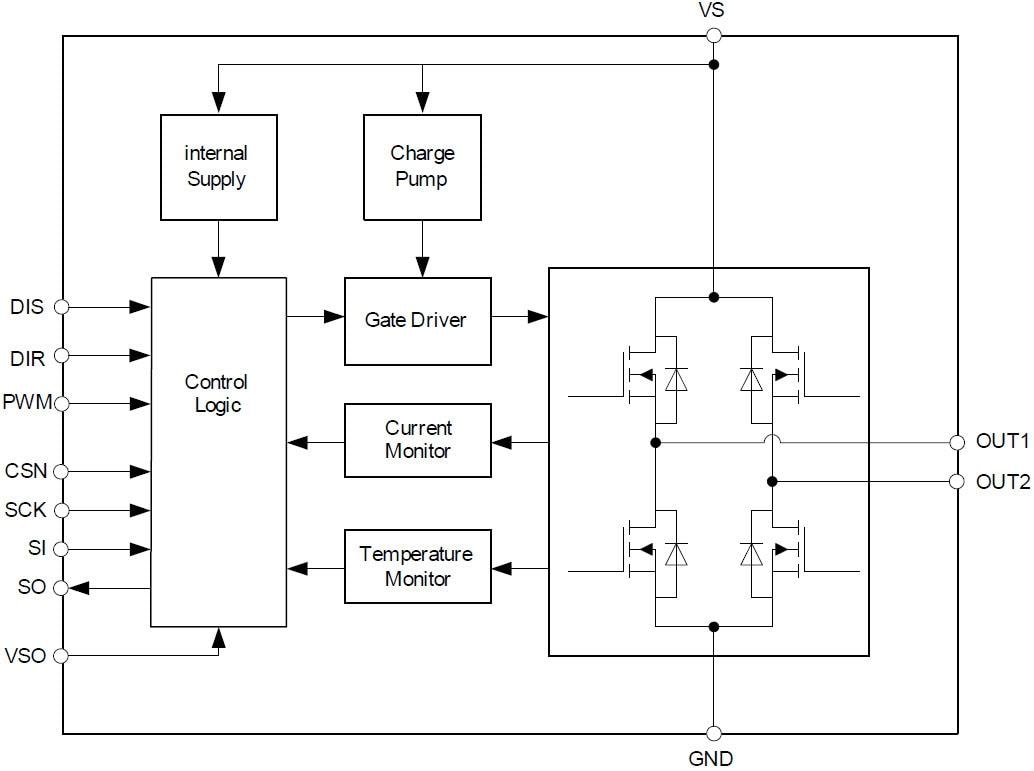
Die Infineon Technologies TLE9201SG 6A H-Brücke mit SPI ist (aber nicht begrenzt auf) für die Steuerung von DC-Motoren oder anderen induktiven Lasten in Anwendungen für die Automobilindustrie ausgelegt. Die IFX9201SG ist ebenfalls für Anwendungen außerhalb des Automobilbereichs optimiert. Dazu gehören Industrieanwendungen, Haushaltsgeräte, Gebäudeautomation, Elektrowerkzeuge mit Batteriemanagement und medizinische Anwendungen. Die Ausgänge können bei Frequenzen bis zu 20kHz impulsbreitenmoduliert sein. Die PWM/DIR-Steuerung reduziert die Anzahl PWM-fähigen-Kontakte, die auf der Mikrocontrollerseite benötigt werden.For load currents above the current limitation threshold (8A typ.) the H-Bridge goes into chopper current limitation mode. It's protected against short circuits and overtemperature and provides extensive diagnosis via SPI or basic error feedback via error flag. Open load can be detected when the bridge is disabled or during PWM operation of inductive loads.
The robust PG-DSO-12-17 package provides excellent thermal capabilities due to the thick copper heat slug. Thanks to the protruding edges of the heat slug the package is well suited for automatic optical solder inspection.
Merkmale
- RDSon of 100mΩ per switch typ. at Tj=25°C
- Logic inputs 3.3V and 5V TTL/CMOS-compatible
- Low standby current
- Chopper current limitation
- Short circuit shut down with latch behavior
- Overtemperature shut down with latch behavior
- VS undervoltage shutdown
- Open load detection in ON and OFF state
- Detailed SPI diagnosis or simple error flag
- Green product (RoHS compliant)
Applikationen
- Automotive applications
- Industrial applications
- Home appliance
- Building automation
- Power tools battery management
- Medical applications
Block Diagram
Veröffentlichungsdatum: 2015-10-06
| Aktualisiert: 2024-12-10
