Infineon Technologies TLE4973 XENSIV™ Kernlose Stromsensoren

Die kernlosen Stromsensoren TLE4973 XENSIV™ von Infineon Technologies sind magnetische Miniatur-Stromsensoren für Wechselstrom- und Gleichstrommessungen mit einer analogen Schnittstelle und einer schnellen Überstromerkennungsausgabe. Ein Differenzial-Messprinzip ermöglicht eine Unterdrückung von Streufeldern für den Betrieb in widrigen Umgebungen und die hohe Konfigurierbarkeit ermöglicht die Anpassung an verschiedene Anwendungen. Benutzerprogrammierbare Parameter (wie OCD-Schwellenwerte und Empfindlichkeitseinstellungen) werden in einem eingebetteten EEPROM gespeichert. Die Bauteilkonfiguration kann vor Ort über eine eindrahtige UART-basierte digitale Steuerungsdiagnoseschnittstelle (DCDI) durchgeführt werden. Die DCDI-Schnittstelle ermöglicht Lese-/Schreibzugriff auf die internen Register des Bauteils und ermöglicht dem Bauteil, den Diagnosemodus auszulösen und Temperatur, OCD und Sicherheitsstatus auszulesen. Die Sensoren verfügen über eine automatische Adressierungsfunktion und können bis zu acht Slaves an einem Bus verwalten.

Merkmale

  • Hochpräzise, skalierbare DC- und AC-Strommessung
  • Skalenendwert von bis zu ± 34mT für Strommessungen über 1000 A
  • 5 V Versorgungsspannung
  • Analogausgang
    • Konfigurierbares Differential für TLE4973-xE35x5-S0001 (einschließlich einer ratiometrischen Option)
    • Ratiometrisch, einendig für TLE4973-RE35x5-S0010
  • Sicherheitselement nach ISO 26262, das für Sicherheitsanforderungen bis ASIL B außerhalb des Kontexts geeignet ist.
  • Kleiner Formfaktor für eine hohe Leistungsdichte
  • Sehr geringer Empfindlichkeitsfehler über Temperatur und Lebensdauer hinweg
  • Ausgezeichnete Stabilität des Offsets über Temperatur und Lebensdauer
  • Das Differenzial-Sensorprinzip gewährleistet eine hervorragende Unterdrückung magnetischer Streufelder
  • Die hohe Bandbreite bietet schnelle Anschwingzeit und geringe Phasenverzögerung
  • Überstromerkennung mit einem konfigurierbaren Schwellenwert (maximale Erkennungszeit von < 1,0 ° s)
  • EEprom mit integrierter Ladungspumpe für systeminterne Programmierung und die End-of-Line-Kalibrierung ohne zusätzliche Schaltungselemente
  • Verschiedene Gehäuselösungen für eine optimale Systemintegration in unterschiedlichen Verkabelungsschemata
  • Digitale Steuer- und Diagnoseschnittstelle; bietet Temperaturauslesung, Sicherheitsstatus-Auslesung, Lese-/Schreibzugriff auf den internen EEprom und Steuerung des Diagnosemodus
  • Vorkalibrierte über Temperatur mit der Möglichkeit einer systeminternen End-of-line-Kalibrierung zur Kompensierung von Fehlern auf Systemebene
  • AEC-Q100-qualifiziert, Klasse 0
  • RoHS-konform

Applikationen

  • Elektrische Haupt- und Hilfsantriebe
  • Überlast- und Überstromerkennung
  • Batterie-Hauptschalter
  • Intelligente Leistungsschalter
  • PV-Wechselrichter
  • Stromüberwachung und Netzteile

Blockdiagramm

Blockdiagramm - Infineon Technologies TLE4973 XENSIV™ Kernlose Stromsensoren

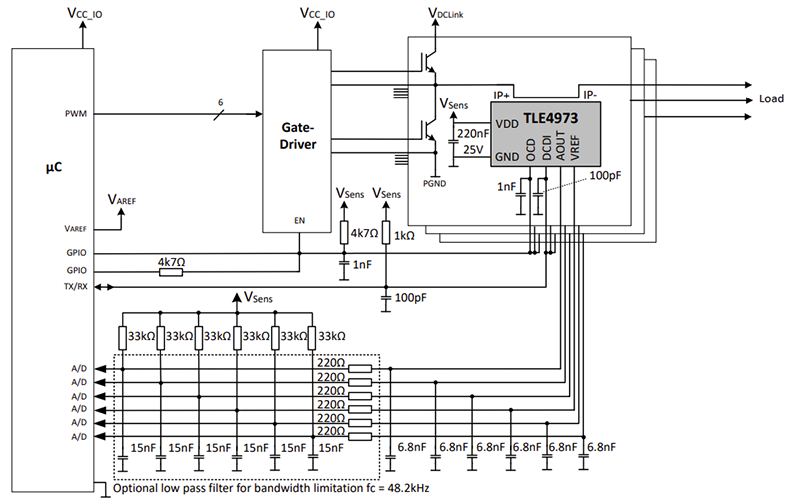
Typischer Applikationsschaltplan

Applikations-Schaltungsdiagramm - Infineon Technologies TLE4973 XENSIV™ Kernlose Stromsensoren
Veröffentlichungsdatum: 2023-11-28 | Aktualisiert: 2025-02-09