Infineon Technologies TLE4929C Kurbelwellensensoren
Infineon Technologies TLE4929C Kurbelwellensensoren sind vollständig programmierbare aktive Hall-Sensoren, welche die Drehzahl und Position von Zahnkränzen/Polrädern messen. Diese Sensoren sind mit zwei integrierten Kondensatoren auf dem Leiterrahmen ausgestattet, welche die elektromagnetische Verträglichkeit (EMC) des Bauteils erhöhen. Darüber hinaus nutzen die TLE4929C Sensoren eine Pull-up-Widerstands-RLoad auf dem Ausgangspin zur Bestimmung des maximalen Stroms, der durch den Ausgangstransistor fließt. Diese Sensoren bieten außerdem eine Robustheit über das magnetische Streufeld, einen Richtungserkennungs- und Stopp-Start-Algorithmus, eine hohe Genauigkeit, ein geringer Jitter sowie einen Automotive-Betriebstemperaturbereich. Die TLE4929 Sensoren sind in zwei Varianten verfügbar, wie z. B. TLE4929C-XAN-M28 mit EEPROM vorprogrammiert und gesperrt und TLE4929C-XAF-M28 mit EEPROM freigeschaltet.Merkmale
- Differential-Hall-Drehzahlsensor zur Messung von Drehzahl und Position von Zahnkränzen/Polrädern
- Schaltpunkt in der Mitte des Zahnkranzes, der eine Rückwärtskompatibilität ermöglicht
- Robustheit über magnetisches Streufeld durch das Differential-Sensorikprinzip
- Digitales Ausgangssignal mit programmierbarem Ausgangsprotokoll, das eine Diagnoseschnittstelle enthält
- Hohe Empfindlichkeit ermöglicht großen Luftspalt
- End-of-Line-programmierbar
- Dient als Differential-Nockenwellensensor
- Automotive-Betriebstemperaturbereich
- Erhältlich in einem RoHS-konformen 3-Pin-Gehäuse
- Richtungserkennungs- und Stopp-Start-Algorithmus
- Hohe Genauigkeit und geringer Jitter
Blockdiagramm
Applikations-Schaltungs-Diagramm
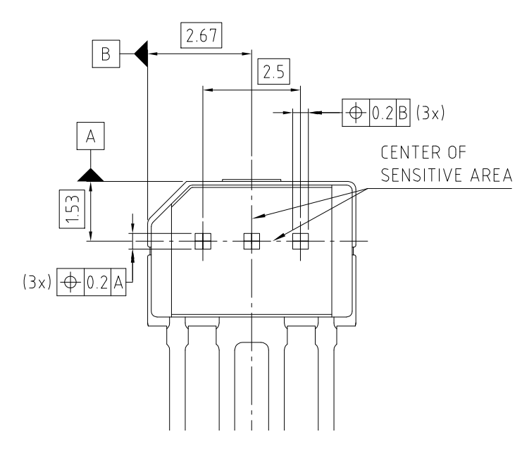
Technische Zeichnung
Veröffentlichungsdatum: 2019-01-07
| Aktualisiert: 2024-04-01
