Infineon Technologies TLD6099-2ES Multi-Topologie-DC/DC-Regler
Der Zweikanal-Multitopologie-DC/DC-Regler TLD6099-2ES von Infineon Technologies wurde für LED-Anwendungen entwickelt und verfügt über integrierte Schutzfunktionen zur Implementierung eines kompakten LED-Treibers. Der von den beiden Kanälen erzeugte Ausgangsstrom ist unabhängig und wird über einen Spitzenstromregelkreis geregelt. Die interne Steigungskompensation vermeidet subharmonische Schwingungen bei hoher Einschaltdauer (z. B. höher als 50 %). Die Stromgenauigkeit übersteigt 3,5 % (ohne analoge Dimmung) über den gesamten Betriebstemperaturbereich. Die Strommessverstärker bieten Flexibilität bei der Wahl der Topologie, die für die Versorgung von LED-Ketten mit mehr als 20 weißen LEDs (bis zu 70 V am Ausgang) erforderlich ist.Ein externer Widerstand kann die Schaltfrequenz von 100 kHz auf 500 kHz oder auf einen festen Wert von 2,2 MHz einstellen. Eine Synchronisation mit einer externen Uhr ist ebenfalls möglich. Das Gerät verfügt über einen Spreizspektrummodulator, der es ermöglicht, elektromagnetische Emissionsstandards zu erfüllen. Jeder Kanal des TLD6099-2ES von Infineon kann einen externen NMOS ansteuern, um die Ausgangskapazität schnell zu entladen. Diese Funktion hilft, schnelle Lastschwankungen aufgrund von leichten Funktionsaustausch-Szenarien zu bewältigen. Typische Anwendungsfälle sind das Umschalten von Abblend- auf Fernlicht oder das Ansteuern von adaptivem Fernlicht mit einem Matrixmanager.
Merkmale
- Zweikanal-Gerät
- Großer Eingangsspannungsbereich (bis zu 58 V) und Ausgangsspannungsbereich (bis zu 70 V)
- Schaltfrequenzbereich von 100 kHz bis 500 kHz und 2,2 MHz
- EMC-optimiertes Gerät
- Einstellung des Analogausgangs (analoges Dimmen)
- Diagnoseausgang für Überspannung, Masseschluss, offene Rückkopplung und Übertemperatur
- NMOS-Gate-Treiber für adaptive Ausgangsentladung
- ±3,5 % Genauigkeit des LED-Stroms (kein analoges Dimmen angewendet)
- Qualifiziert für Fahrzeuganwendungen gemäß AEC-Q100
Applikationen
- LED-Treiber für
- Vordere Lichtmodule
- Animierte Lichtfunktionen
- Gepixelte adaptive Fernlichter
- Produktvalidierung
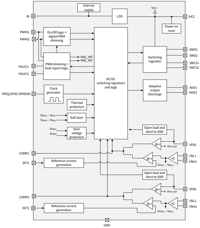
Blockdiagramm
Veröffentlichungsdatum: 2025-01-24
| Aktualisiert: 2025-09-26
