Infineon Technologies TLD5098EP_B2G Evaluierungsboard
Das Evaluierungsboard TLD5098EP_B2G von Infineon Technologies ist ein AEC-qualifiziertes Evaluierungsboard in einer Boost-to-Ground-Topologie, das als LED-Treiber konzipiert ist. Das Board liefert bis zu 13 W bei einem Wirkungsgrad von über 91 %. Wenn es durch Jumper aktiviert wird, ist das Board mit einem Trimmer zur Einstellung des Ausgangsstroms, einer Schaltung zur Leistungsreduzierung und einem Cold Crank Survival Circuit (CCSC) ausgestattet.Merkmale
- Trimmer zur Einstellung des Ausgangsstroms
- Schaltung zur Leistungsreduzierung
- Kaltstart-Überlebensschaltung
- Liefert bis zu 13 W bei einem Wirkungsgrad über 91 %
- Maximaler Ausgangsstrom von 350 mA
- Ausgangsspannungsbereich: 33 V bis 47,4 V
- Versorgungsspannungsbereich: 8 V bis 27 V
- AEC-qualifiziert
- RoHS-konform
Applikationen
- Beleuchtung
- Kfz-Tagfahrlicht
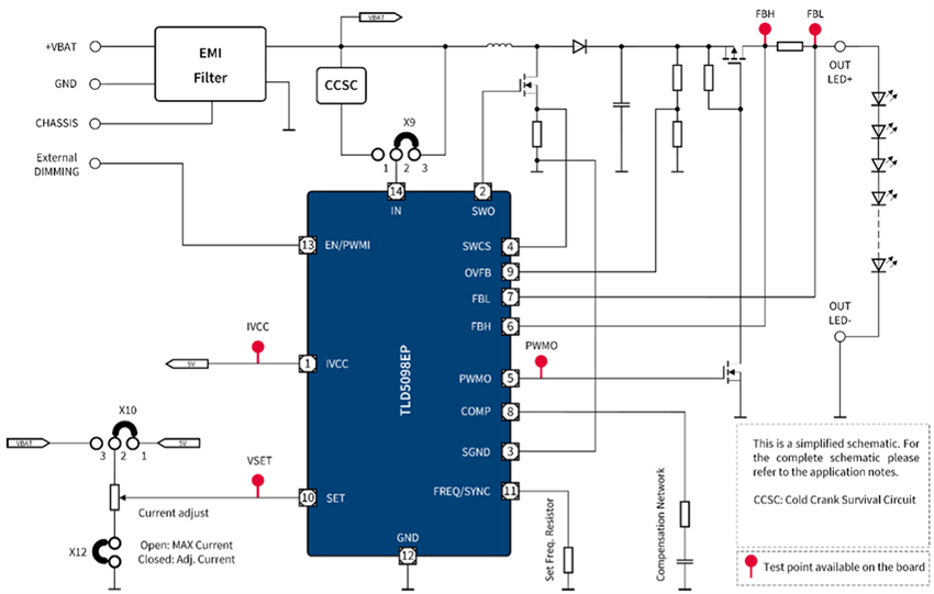
Vereinfachtes Schaltschema
Standardkonfiguration
Stromeinstellung
Leistungsreduzierung
Cold Crank Survival Circuit
Veröffentlichungsdatum: 2025-01-31
| Aktualisiert: 2025-02-13
